产品概述
2SK系列两级水环真空泵和2SK-P1系列两级水环真空泵—大气喷射泵机组被用于抽取空气和其它无腐蚀性、不溶于水、不含有固体颗粒的气体以便在密闭容器中获得较高真空。
它被广泛应用于食品、编织化工、医药和冶金工业及电子领域的真空蒸发、真空浓缩、真空回潮、真空浸渍、真空干燥及真空冶炼等。具有真空度高、在高真空区抽速大及结构紧凑、工作可靠、维修方便等特点。
2SK系列适用于吸入压力低于-0.08MPa的工况条件。2SK-P1系列适用于吸入压力低于-0.096MPa的工况条件,在配用大气泵时,极限真空度可达-750mmHg。
工作真空范围为-0.03---0.08MPa。
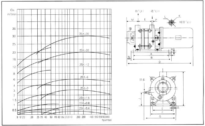
性能参数
|
型 号
|
抽气量(m3/min)
|
极限压力
|
功率
(kw)
|
转速
(r/min)
|
供水量
L/min
|
吸排气
口径
|
|
最大
|
吸入压力为-0.093MPa时
不小于
|
mmHG
|
MPa
|
|
2SK-1.5
|
1.5
|
0.9
|
-730
|
-0.097
|
4
|
1440
|
10-15
|
40
|
|
2SK-3
|
3
|
2
|
-730
|
-0.098
|
7.5
|
1440
|
15-20
|
40
|
|
2SK-6
|
6
|
4
|
-730
|
-0.098
|
15
|
1460
|
25-35
|
70
|
|
2SK-12
|
12
|
8
|
-730
|
-0.098
|
22
|
970
|
40-50
|
100
|
|
2SK-20
|
20
|
14
|
-730
|
-0.098
|
45
|
740
|
60-80
|
125
|
|
2SK-30
|
30
|
20
|
-730
|
-0.098
|
55
|
740
|
70-90
|
125
|
|
2SK-P1型系列两级水环真空泵-大气喷射泵机组
|
|
型 号
|
抽气量(m3/min)
|
极限压力
|
功率
(kw)
|
转速
r/min
|
供水量
L/min
|
|
吸入压力为
-0.093MPA
-700mmHg时
|
吸入压力为
-0.093MPA
-700mmHg时
|
吸入压力为
-0.093MPA
-700mmHg时
|
mmHG
|
MPa
|
|
2SK-1.5P1
|
1.05
|
0.9
|
0.75
|
-750
|
-0.099
|
4
|
1440
|
10-15
|
|
2SK-3P1
|
2.1
|
1.8
|
1.5
|
-750
|
-0.099
|
7.5
|
1440
|
15-20
|
|
2SK-6P1
|
4.2
|
3.6
|
3
|
-750
|
-0.099
|
15
|
1460
|
25-35
|
|
2SK-12P1
|
8.4
|
7.2
|
6
|
-750
|
-0.099
|
22
|
970
|
40-50
|
|
2SK-20P1
|
14
|
12
|
10
|
-750
|
-0.099
|
45
|
740
|
60-80
|
|
2SK-30P1
|
21
|
18
|
15
|
-750
|
-0.099
|
55
|
740
|
70-90
|
注:
1、表内数值是在下列条件下得出:①大气压力0.1013MPa(760mmHg);②进水温度15℃;③吸入空气温度20℃;④空气相对温度70%。
2、供水量为吸入压力-0.05MPa(-400mmHg)时的数值,极限真空时可大于此值
3、性能允差±10%
安装尺寸
2SK-型两级水环真空泵安装尺寸:

2SK-p1系列两级水环-大气喷射泵机组安装尺寸图


订货须知
一、①产品名称与型号②口径③扬程(m)④电机功率(KW)⑥转速(r/min)⑦电压〔V〕⑧吸程(m)⑨是否带附件。以便我们的为您正确选型。
二、若已经由设计单位选定我公司的产品型号,请按产品名称与型号直接向我公司销售部订购。
三、当使用的场合非常重要或环境比较复杂时,请您尽量提供设计图纸和详细参数,由我们的技术专家为您审核把关。