产品概述
G系列单螺杆泵是按迥转啮合容积式原理工作的新型泵种,主要工作部件是偏心螺杆(转子)和固定的衬套(定子)。 由于该二部件的特殊几何形状,分别形成单独的密封容腔,介质由轴向均匀推行流动,内部流速低,容积保持不变,压力稳定,因而不会产生涡流和搅动。每级泵的输出压力为0.6MPa,扬程60m(清水),适用于输送介质温度80℃以下(特殊要求可达150℃)。 因定子选用多种弹性材料制成,所以这种泵对高粘度流体的输送和含有硬质悬浮颗粒介质或含有纤维介质的输送,有一般泵种所不能胜任的特点。其流量与转速成正比。 传动可采用联轴器直接传动,或采用调速电机,三角带,变速箱等装置变速。 这种泵零件少,结构紧凑,体积小,维修简便,转子和定子是本泵的易损件,结构简单,便于装拆。
产品特点
G系列单螺杆泵具有自吸能力强、吸入高度强;螺杆泵零件少,结构紧凑,体积小,维修简单,转子和定子是单螺杆泵的易损件,结构简单,便于装拆。是按迥转啮合容积式原理工作的新型泵种。偏心单螺杆泵主要工作部件是偏心螺杆(转子)和固定的衬套(定子)。采用无毒无味的食用橡胶,工作温度可达120摄氏度,如果采用高温120摄氏度—350摄氏度时可同本单位联系。由于该二部件的特殊几何开头分别形成单独的密封容腔。介质由轴向均匀推行流动。内部流速代低,容积保持不变。压力稳定,因而不会产品涡流和搅动。每级泵的输出压力为0.6MPa—1.2MPa,扬程60m—120m(清水),自吸高度一般在3m以上.可以当自吸排污泵产品使用。
产品优点
1、与离心泵相比单螺杆泵无需安装阀门,流量是稳定的线性流动。
2、与气动隔膜泵相比单螺杆泵可输送各种混合杂质含有气体及固体颗粒或纤维的介质,也可输送各种腐蚀性物质。
3、与齿轮泵相比,单螺杆泵可输送高粘度的物质。
4、与柱塞泵,隔膜泵及齿轮泵不同的是,螺杆泵可用于药剂填充和计量。
工作原理
G系列单螺杆泵属于转子式容积泵,它是依靠螺杆与衬套相互啮合在吸入腔和排出腔产生容积变化来输送液体的。它是一种内啮合的密闭式螺杆泵,主要工作部件由具有双头螺旋空腔的衬套(定子)和在定子腔内与其啮合的单头螺旋螺杆(转子)组成。当输入轴通过万向节驱动转子绕定子中心作行星回转时,定子 — 转子副就连续地啮合形成密封腔,这些密封腔容积不变地作匀速轴向运动,把输送介质从吸入端经定子 — 转子副输送至压出端,吸入密闭腔内的介质流过定子而不被搅动和破坏。
技术参数
流量:0-150m3/h;
扬程:0-240m;
功率:0.75-37kw;
转速:500-960r/min;
口径:20-135MM;
温度:-15-200℃。
型号意义

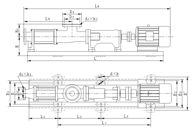
结构图纸

适用范围
环境保护:工业污水、生活污水、含有固体颗粒及短纤维的污泥浊水的输送,特别使用于油水分离器板框压滤机设备等。
船舶工业:轮底清洗、油水、油渣、油污水等戒指输送。
石油工业:输送原油、原油与水的混合物、煤田气和水的混合物、往地层内灌注聚合物等。
医药、日化:各种粘稠浆、乳化液、各种软膏化装品
食品罐头行业:各种粘稠淀粉、浓酒糟、粮食制品渣、各种酱类、浆类、固体物浆液
建筑行业:水泥沙浆、石灰浆、涂料、糊状体的喷涂
采矿行业:矿井内的固体颗粒、地下水、污浆水
化学行业:各种悬浮液、油脂、各种胶体浆、各种粘合剂
印刷、造纸:高粘度油墨、墙纸的PVC高分子塑料糊和各种浓度的纸浆,短纤维浆料
工业锅炉、电厂:水煤浆输送
安装尺寸


定转速电机直接驱动性能参数
|
型号 |
流量
(m3/h)
|
压力
(MPa)
|
转速
(r/min)
|
电机功率
(kw)
|
进口法
兰通径
(mm)
|
出口法
兰通径
(mm)
|
允许颗
粒直径
(mm)
|
允许纤
维长度
(mm)
|
|
G10-1 |
0.1 |
0.6 |
960 |
0.55 |
25 |
25 |
0.8 |
15 |
|
G10-2 |
1.2 |
0.55 |
25 |
25 |
|
G13-1 |
0.4 |
0.6 |
960 |
0.55 |
25 |
25 |
0.8 |
15 |
|
G13-2 |
1.2 |
0.55 |
25 |
25 |
|
G15-1 |
0.6 |
0.6 |
960 |
0.55 |
25 |
25 |
1 |
20 |
|
G15-2 |
1.2 |
0.75 |
25 |
25 |
|
G20-1 |
0.8 |
0.6 |
960 |
0.75 |
25 |
25 |
1.5 |
25 |
|
G20-2 |
0.6 |
1.1 |
25 |
25 |
|
G25-1 |
2 |
0.6 |
960 |
1.5 |
32 |
25 |
2 |
30 |
|
G25-2 |
1.2 |
2.2 |
32 |
25 |
|
G30-1 |
5 |
0.6 |
960 |
2.2 |
50 |
40 |
2.5 |
30 |
|
G30-2 |
1.2 |
3 |
50 |
40 |
|
G35-1 |
8 |
0.6 |
960 |
3 |
65 |
50 |
3 |
40 |
|
G35-2 |
1.2 |
4 |
65 |
50 |
|
G40-1 |
12 |
0.6 |
960 |
4 |
80 |
65 |
3.8 |
45 |
|
G40-2 |
1.2 |
5.5 |
80 |
65 |
|
G50-1 |
20 |
0.6 |
960 |
5.5 |
100 |
80 |
5 |
50 |
|
G50-2 |
1.2 |
7.5 |
100 |
80 |
|
G60-1 |
30 |
0.6 |
960 |
11 |
125 |
100 |
6 |
60 |
|
G60-2 |
1.2 |
15 |
125 |
100 |
|
G70-1 |
45 |
0.6 |
720 |
11 |
150 |
125 |
8 |
70 |
|
G70-2 |
1.2 |
18.5 |
|
G85-1 |
65 |
0.6 |
720 |
15 |
150 |
150 |
10 |
80 |
|
G85-2 |
0.6 |
30 |
|
G105-1 |
80 |
0.6 |
720 |
22 |
200 |
150 |
10 |
80 |
|
G135-1 |
100 |
0.6 |
720 |
30 |
200 |
150 |
10 |
80 |
使用注意事项
1.单螺杆泵使用前必先确定运转方向,不得反转。
2.单螺杆泵严禁在无介质情况下空运转,以免损坏定予。
3.单螺杆泵新安装或停机数天后的单螺杆泵,不能立即起动,应先向G型单螺杆泵体内注入适量机油,再用管子钳板动几转后才可起动。
4.单螺杆泵输送高粘度或含颗粒及腐蚀性的介质后,应用水或溶济进行冲洗,防止阻塞,以免下次起动困难。
5.单螺杆泵冬季应排队积液,防止冻裂。
6.单螺杆泵使用过程中轴承箱内应定期加润滑油,发现轴端有渗流时,要及时处理或调换油封。
7.单螺杆泵在运行中如发生异常情况,应立即停车检查原因,排除故障。
一、①产品名称与型号②口径③扬程(m)④电机功率(KW)⑥转速(r/min)⑦电压〔V〕⑧吸程(m)⑨是否带附件。以便我们的为您正确选型。
二、若已经由设计单位选定我公司的产品型号,请按产品名称与型号直接向我公司销售部订购。
三、当使用的场合非常重要或环境比较复杂时,请您尽量提供设计图纸和详细参数,由我们的技术专家为您审核把关。