网站首页收藏夹设为首页
油泵系列
油泵系列

CS型手摇泵

CS-20、CS-25、CS-32系列适用于抽送燃油、润滑油、水等液体。具有体积小、重量轻、自吸性能好、安装使用方便等特点。本厂生产的CS系列手摇泵,设计合理、用料讲究、维修简单,重要的另件均经防腐蚀处理,因此是比较理想的船用泵浦。

 

产品概述

CS-20、CS-25、CS-32系列适用于抽送燃油、润滑油、水等液体。具有体积小、重量轻、自吸性能好、安装使用方便等特点。本厂生产的CS系列手摇泵,设计合理、用料讲究、维修简单,重要的另件均经防腐蚀处理,因此是比较理想的船用泵浦。

规格和主要技术数据 

 

型  号 CS-20型泵 CS-25型泵 CS-32型泵
流量m3/分 0.02m3/分 0.032m3/分 0.04m3/分
排出压力Mpa 0.25mPa 0.25mPa 0.25mPa
吸入真空高度m 5m(水柱) 5m(水柱) 5m(水柱)
活塞行程mm 70mm 70mm 90mm
往复次数次/分 50次/分 50次/分 50次/分
泵缸直径mm φ65 φ75 φ88mm
手柄作用力kg ≈18kg ≈230N ≈28kg
进出水口径mm φ20mm φ25 φ32mm
重量kg 6kg/台 8.5kg/台 12kg/台

使用与维修

1.使用前先卸下两侧盖及上端盖上的放油螺钉、注入适量润滑油,摇动手柄、直至手柄运动自如为止。

2.工作时手柄应作大角度的往复摇动。在泵进口前应设置滤器,以防脏物进入泵内影响泵的工作效率及使用寿命甚至损坏另部件。

3.泵安装时应检查一下设在泵上端盖内的阀是否处在正确位置,并把泵摇动几次看有否异常,若发现不正常,可向本厂调换。

4.本系列泵的油封周期六个月。若长期搁置或长期停止使用、由应清洗重新油封。

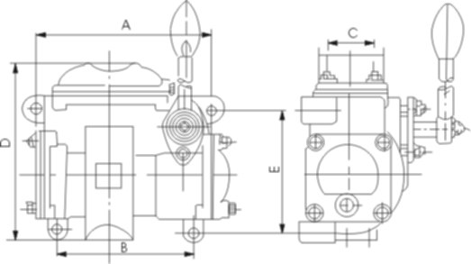
外形尺寸安装图 

 

型   号

CS-20

CS-25

CS-32

CS-38

 A

180

205

225

280

 B

152

180

200

245

 C

63

70

81

70

 D

213

220

249

260

 E

134

150

165

180

 
 
 
 
 

主要另部件材料 

另件名称

材    料 

标    准 

 泵   体

ZL102

GB1173-74

 盖

ZL102

GB1173-74

 活   塞

ZL102

GB1173-74

 水缸套

HT20-40

GB 976-67

 阀

2cr13

GB1220-75

 阀   座

H62

YB 553-71

 轴

2cr13

GB1220-75

 连杆机构

2cr13

GB1220-75

 H型水缸套

H62

YB 553-71

订货须知

一、①产品名称与型号②口径③扬程(m)④电机功率(KW)⑤转速(r/min)⑥电压〔V〕⑦吸程(m)⑧是否带附件。以便我们的为您正确选型。
二、若已经由设计单位选定我公司的产品型号,请按产品名称与型号直接向我公司销售部订购。
三、当使用的场合非常重要或环境比较复杂时,请您尽量提供设计图纸和详细参数,由我们的技术专家为您审核把关。

 

产品评论 查看所有评论
公司名称/个人:
评论内容:
验证码: 验证码
 
产品导购
安全阀,隔膜泵, 减速机,齿轮减速机, 分布式光伏电缆太阳能光伏发电电缆光伏四平方电缆大型光伏电站电缆上海玖开 济南回收药品,青岛收药电话,济南收药,济南药品回收 助力机械手上海木托盘, 上海出口木托盘工业加湿器上海二手木托盘上海出口托盘上海胶合板托盘零浮力电缆辊筒辊筒输送机东莞搭脚手架 ,上海老洋房出租出售 ,上海豪宅出租出售 , 上海老洋房整栋会所办公接待出租,金苑亦园汇贤居出租出售 ,安福路底楼带院子工作室商铺出租 ,裂解炭黑深加工设备,连续式废轮胎裂解设备,连续式废塑料裂解设备, 连续式废轮胎炼油设备,连续式医疗废物热解设备,连续式废轮胎热裂解设备, 连续式油泥炼油设备,连续式医疗垃圾热解设备,连续式废塑料炼油设备,连续式废轮胎炼油设备 ,中山白蚁防治,中山灭虫公司,江门消杀公司, 喀什废品回收,喀什废铁废铜铝回收,喀什电线电缆回收,喀什电力设备回收, ,防静电工作台,皮带线,滚筒线,倍速链,工具柜厂家