网站首页收藏夹设为首页
离心泵系列
离心泵系列

DSW不锈钢卧式单级离心泵

DSW系列不锈钢泵是一种卧式单级离心泵,该泵与电机采用直联式联接,整体结构非常紧凑美观,泵的过流部件全部采用304不锈钢材料,可耐轻度腐蚀,泵的主要零部件采用薄板冲压结构,具有重量轻的特点,泵配有螺纹进出水口,联接方便,是一款非常现代的泵。

产品概述

DSW系列不锈钢泵是一种卧式单级离心泵,该泵与电机采用直联式联接,整体结构非常紧凑美观,泵的过流部件全部采用304不锈钢材料,可耐轻度腐蚀,泵的主要零部件采用薄板冲压结构,具有重量轻的特点,泵配有螺纹进出水口,联接方便,是一款非常现代的泵。

使用范围

1、工、民用清水或其它液体的增压、输送
2、水循环系统
3、农业灌溉
4、污水处理设备配套

输送介质

腐蚀性稀薄、干净、非易燃易爆并不含固体颗粒和纤维的液体, 可输送轻介质(与介质中氯离子含量、酸和碱的浓度、是否对橡胶和机械密封摩擦付材料产生腐蚀等情况有关),所输送介质的密度不能大于清水,粘度要接近于水。否则需配用大功率电机。

运行条件

液体温度:-10℃至+85℃

环境温度:最高 +40℃

海拔:最高1000m

最大工作压力:8巴

安装条件

泵应紧固在平稳的水平基座上

泵的安装要保证泵在使用时不受系统管路张力的影响

为保证电机的正常运转,泵要安装在具有良好通风条件、并防冰冻的位置

电气接线装置应保证泵不受缺相、电压不稳、漏电和过载的损害

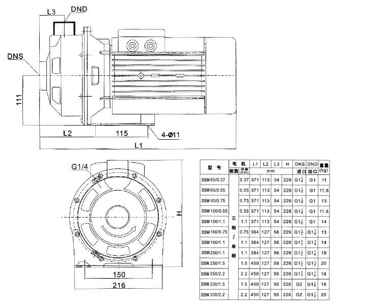
性能参数

型号规格
额定
流量
m³/h
额定
扬程
m
额定
功率
kw
额定
电压
v
同步
转速
r/min
配管
内径
mm
材质
DSW60/0.37
3.5
15
0.37
380/220
3000
32/25
304
DSW60/0.55
3.5
20
0.55
380/220
3000
32/25
304
DSW60/0.75
3.5
25
0.75
380/220
3000
32/25
304
 DSW100/0.75
6
14
0.55
380/220
3000
32/25
304
DSW100/1.1
6
23
1.1
380/220
3000
32/25
304
 DSW160/0.75
10
13.5
0.75
380/220
3000
40/32
304
DSW160/1.1
10
17.5
1.1
380/220
3000
40/32
304
DSW250/1.1
15
13
1.1
380/220
3000
40/32
304
DSW250/1.5
15
19
1.5
380
3000
40/32
304
DSW250/2.2
15
24
2.2
380
3000
40/32
304
DSW330/1.5
20
14
1.5
380
3000
50/32
304
DSW330/2.2
20
17
2.2
380
3000
50/32
304

截面图

性能曲线

安装尺寸图

订货须知

一、①产品名称与型号②口径③扬程(m)④电机功率(KW)⑥转速(r/min)⑦电压〔V〕⑧吸程(m)⑨是否带附件。以便我们的为您正确选型。
二、若已经由设计单位选定我公司的产品型号,请按产品名称与型号直接向我公司销售部订购。
三、当使用的场合非常重要或环境比较复杂时,请您尽量提供设计图纸和详细参数,由我们的技术专家为您审核把关。

 

产品评论 查看所有评论
公司名称/个人:
评论内容:
验证码: 验证码
 
产品导购
安全阀,隔膜泵, 减速机,齿轮减速机, 分布式光伏电缆太阳能光伏发电电缆光伏四平方电缆大型光伏电站电缆上海玖开 济南回收药品,青岛收药电话,济南收药,济南药品回收 助力机械手上海木托盘, 上海出口木托盘工业加湿器上海二手木托盘上海出口托盘上海胶合板托盘零浮力电缆辊筒辊筒输送机东莞搭脚手架 ,上海老洋房出租出售 ,上海豪宅出租出售 , 上海老洋房整栋会所办公接待出租,金苑亦园汇贤居出租出售 ,安福路底楼带院子工作室商铺出租 ,裂解炭黑深加工设备,连续式废轮胎裂解设备,连续式废塑料裂解设备, 连续式废轮胎炼油设备,连续式医疗废物热解设备,连续式废轮胎热裂解设备, 连续式油泥炼油设备,连续式医疗垃圾热解设备,连续式废塑料炼油设备,连续式废轮胎炼油设备 ,中山白蚁防治,中山灭虫公司,江门消杀公司, 喀什废品回收,喀什废铁废铜铝回收,喀什电线电缆回收,喀什电力设备回收, ,防静电工作台,皮带线,滚筒线,倍速链,工具柜厂家