
IH型不锈钢化工离心泵

产品简介
IH型不锈钢化工离心泵是单级单吸悬臂式离心泵,选用国内优秀水力模型设计开发。供吸送清水及物理化学性质类似水不含固体颗粒的液体。广泛用于工农业城市排水、消防供水等。供输送20℃~105℃的腐蚀性介质或物理、化学性能类似于水的介质。
型号意义

产品特点
IH型不锈钢化工泵具有水利性能布局合理、可靠,体积小,质量轻,抗汽蚀性能好,电耗低,使用检修方便,工作效率高等优点。IH型单级单吸离心泵为卧式结构,其结构设计基本能满足所有管道安装。
泵的旋转方向
IH型不锈钢化工泵通过加长联轴器由电动机直接驱动,从电动机端看,按顺时针方向旋转。
性能范围
流量Q:6.3~400m3/h 扬程H:5~132m
转速n:2900、1450r/min 配带功率:0.55~110KW
进口直径:50~200mm 高工作压力:1.6Mpa
IH型化工泵有29个基本型,其中22个双速(2900、1450r/min)经过A、B两种型式的叶轮直径切割变型后,达112个规格。
使用条件
IH型不锈钢化工泵的高工作设计压力为1.6兆帕。介质温度不高于80℃。需要时采用双端面密封冷却装置,可输送介质温度为20℃~+280℃。
注:用户可根据被输送介质的腐蚀性程度对泵的过流部分主要零件选用不同材料。
泵轴封型式
填料密封:泵盖内设有填料函,采用软填料密封,填料函内可通入有一定压力的水,供密封冷却,润滑、清洗用。
机械密封:单端面机械密封和双端面机械密封两种型式,密封腔内通入一定压力的水,冲洗磨擦两端面,同时起冷却作用。
泵的密封型式采用填料密封或机械密封,由用户根据需要适用,同时根据需要允许采用适合于ISO3069规定的密封空腔尺寸和其他结构的轴封型式,如带波纹管的机械密封和付叶轮密封等等。
IH型化工泵输送介质温度为-20℃~105℃,需要时采用双端面密封冷却装置,可输送介质温度为20℃~+280℃。适用于化工、石油、冶金、电力、造纸、食品、制药、环保、废水处理和合成纤维等行业用于输送各种腐蚀的或不允许污染的类似于水的介质。
结构特点
IH型不锈钢化工泵泵盖通过止口固定在中间支架上,然后通过泵体与中间支架止口的联接把泵盖夹紧在中间,泵体是轴向吸入,径向排出,脚支承式,可直接固定在底座上。悬架部件通过止口固定固定在中间支架上,并用悬架支架支撑在底座上。为拆卸方便,设计了加长联轴器,检修时可以不拆卸进出口联接管路,泵体和电动机。只需拆下联轴器的中间联接件,即可退出转子部件进行检修。这是国际上通用的一种结构形式。
不锈钢化工泵的旋转方向:泵通过加长联轴器由电动机直接驱动,从电动机端看,按顺时针方向旋转。
|
1 | 泵体 | 7 | 轴键 |
| 2 | 叶轮螺母 | 8 | 填料环 | |
| 3 | 制动垫母 | 9 | 填料 | |
| 4 | 密封 | 10 | 填料压盖 | |
| 5 | 叶轮 | 11 | 悬架轴承部件 | |
| 6 | 泵盖 | 12 | 轴 |
适用范围
IH型不锈钢化工泵适用于化工、化纤、冶金、医药、造纸、石油、化工、食品、饮料、酿造等行业。亦可以用于农业排灌。IH型泵用来输送化学类、腐蚀性液体。供输送清水或物理及化学性质类似清水的其它液体之用,使用方便可靠。
性能参数
| 型号 | 转速 | 流量(m3/h) | 流量(L/S) |
扬程
(m) |
效率
(%) |
轴功率
(Kw) |
配用功率 | 汽蚀余量(m) |
重量
(kg) |
||
| 介质密度 | |||||||||||
| 1.0 | 1.35 | 1.85 | |||||||||
| IH50-32-125 | 2900 | 12.5 | 3.47 | 20 | 51 | 1.33 | 2.2 | 6.0 | 4.0 | 2.0 | 45 |
| 1450 | 6.3 | 1.74 | 5.0 | 45 | 0.19 | 0.55 | 0.55 | 0.55 | 2.0 | 45 | |
| IH50-32-160 | 2900 | 12.5 | 3.47 | 32 | 46 | 2.37 | 3.0 | 4.0 | 5.5 | 2.0 | 49 |
| 1450 | 6.3 | 1.74 | 8.0 | 40 | 0.34 | 0.55 | 0.75 | 1.1 | 2.0 | 49 | |
| IH50-32-200 | 2900 | 12.5 | 3.47 | 50 | 39 | 4.36 | 5.5 | 7.5 | 11 | 2.0 | 59 |
| 1450 | 6.3 | 1.74 | 12.5 | 33 | 0.65 | 1.1 | 1.1 | 1.5 | 2.0 | 59 | |
| IH50-32-250 | 2900 | 12.5 | 3.47 | 80 | 33 | 8.25 | 11 | 15 | 18.5 | 2.0 | 93 |
| 1450 | 6.3 | 1.74 | 20 | 27 | 1.27 | 2.2 | 2.2 | 3.0 | 2.0 | 93 | |
| IH65-50-125 | 2900 | 25 | 1.53 | 2.0 | 62 | 2.2 | 3.0 | 4.0 | 5.5 | 2.0 | 47 |
| 1450 | 12.5 | 6.94 | 5.0 | 55 | 0.31 | 0.55 | 0.55 | 0.75 | 2.0 | 47 | |
| IH65-50-160 | 2900 | 25 | 2.78 | 32 | 57 | 3.82 | 5.5 | 7.5 | 11 | 2.0 | 53 |
| 1450 | 12.5 | 6.94 | 8.0 | 51 | 0.53 | 0.75 | 1.1 | 1.5 | 2.0 | 53 | |
| IH65-40-200 | 2900 | 25 | 2.92 | 50 | 52 | 6.55 | 11 | 11 | 15 | 2.0 | 63 |
| 1450 | 12.5 | 6.94 | 12.5 | 46 | 0.93 | 1.5 | 2.2 | 2.2 | 2.0 | 63 | |
| IH65-40-250 | 2900 | 25 | 2.92 | 80 | 46 | 46 | 15 | 3.0 | 30 | 2.0 | 99 |
| 1450 | 12.5 | 6.94 | 20 | 39 | 39 | 2.2 | 37 | 4.0 | 2.0 | 99 | |
| IH65-40-315 | 2900 | 25 | 3.06 | 125 | 39 | 39 | 30 | 5.5 | 55 | 2.0 | 116 |
| 1450 | 12.5 | 6.94 | 32.0 | 33 | 33 | 5.5 | 5.5 | 7.5 | 2.0 | 116 | |
| IH80-65-125 | 2900 | 50 | 13.9 | 20 | 69 | 3.95 | 5.5 | 7.5 | 11 | 3.0 | 52 |
| 1450 | 25 | 6.94 | 5.0 | 64 | 0.53 | 0.75 | 1.1 | 1.5 | 2.5 | 52 | |
| IH80-65-160 | 2900 | 50 | 13.9 | 32 | 67 | 6.5 | 11 | 11 | 15 | 2.3 | 57 |
| 1450 | 25 | 6.94 | 8.0 | 62 | 0.88 | 1.5 | 1.5 | 2.2 | 2.3 | 57 | |
| IH80-50-200 | 2900 | 50 | 13.9 | 50 | 63 | 10.8 | 15 | 18.5 | 30 | 2.5 | 65 |
| 1450 | 25 | 6.94 | 12.5 | 54 | 0.83 | 1.1 | 1.5 | 2.2 | 2.0 | 65 | |
| IH80-50-250 | 2900 | 50 | 13.9 | 80 | 58 | 18.8 | 30 | 37 | 45 | 2.5 | 103 |
| 1450 | 25 | 6.94 | 20 | 52 | 2.62 | 4.0 | 5.5 | 7.5 | 2.0 | 103 | |
| IH80-50-315 | 2900 | 50 | 13.9 | 125 | 52 | 32.73 | 45 | 55 | 75 | 2.0 | 121 |
| 1450 | 25 | 6.94 | 32 | 48 | 4.54 | 7.5 | 7.5 | 11 | 2.0 | 121 | |
| IH100-80-125 | 2900 | 100 | 27.8 | 20 | 73 | 7.47 | 11 | 15 | 18.5 | 4.5 | 57 |
| 1450 | 50 | 13.9 | 5.0 | 68 | 1.0 | 1.5 | 2.2 | 3.0 | 3.5 | 57 | |
| IH100-80-160 | 2900 | 100 | 27.8 | 32 | 73 | 11.9 | 15 | 22 | 30 | 4.3 | 87 |
| 1450 | 50 | 13.9 | 8.0 | 69 | 1.58 | 2.2 | 3.0 | 4.0 | 3.4 | 87 | |
| IH100-65-200 | 2900 | 100 | 27.8 | 50 | 72 | 18.9 | 30 | 37 | 45 | 3.9 | 96 |
| 1450 | 50 | 13.9 | 12.5 | 68 | 2.5 | 3.0 | 4.0 | 5.5 | 2.5 | 96 | |
| IH100-65-250 | 2900 | 100 | 27.8 | 80 | 68 | 32.0 | 45 | 55 | 75 | 3.6 | 115 |
| 1450 | 50 | 13.9 | 20 | 63 | 4.3 | 5.5 | 7.5 | 11 | 2.5 | 115 | |
| IH100-65-315 | 2900 | 100 | 55.6 | 125 | 62 | 54.9 | 75 | 90 | 132 | 3.2 | 166 |
| 1450 | 50 | 27.8 | 32 | 58 | 7.5 | 11 | 15 | 18.5 | 2.0 | 166 | |
| IH125-100-200 | 2900 | 200 | 55.6 | 50 | 77 | 35.4 | 45 | 55 | 90 | 5.0 | 99 |
| 1450 | 100 | 27.8 | 12.5 | 73 | 4.66 | 7.5 | 11 | 15 | 2.9 | 99 | |
| IH125-100-250 | 2900 | 200 | 55.6 | 80 | 75 | 58.1 | 11 | 110 | 132 | 4.5 | 151 |
| 1450 | 100 | 27.8 | 20 | 72 | 7.56 | 132 | 15 | 18.5 | 2.3 | 151 | |
| IH125-100-315 | 2900 | 200 | 55.6 | 125 | 72 | 94.56 | 18.5 | 160 | 220 | 4.5 | 166 |
| 1450 | 100 | 27.8 | 32 | 65 | 13.41 | 18.5 | 22 | 30 | 2.8 | 166 | |
| IH125-100-400 | 1450 | 100 | 27.8 | 50 | 55 | 14.74 | 18.5 | 30 | 37 | 2.5 | 211 |
| IH150-125-250 | 1450 | 200 | 55.6 | 20 | 77 | 14.1 | 30 | 30 | 37 | 2.5 | 165 |
| IH150-125-315 | 1450 | 200 | 55.6 | 32 | 75 | 23.2 | 30 | 37 | 55 | 2.8 | 196 |
| IH150-125-400 | 1450 | 200 | 55.6 | 50 | 70 | 38.9 | 55 | 75 | 90 | 2.8 | 238 |
| IH200-150-250 | 1450 | 400 | 111.1 | 20 | 77 | 28.3 | 37 | 55 | 75 | 2.5 | 195 |
| IH200-150-315 | 1450 | 400 | 111 | 32 | 79 | 44.1 | 55 | 75 | 110 | 4.0 | 269 |
| IH200-150-400 | 1450 | 400 | 111 | 50 | 78 | 39.8 | 90 | 132 | 160 | 3.5 | 290 |
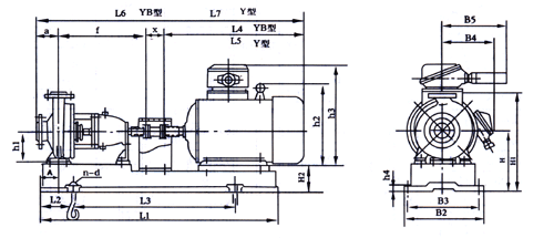
外形尺寸图
| 产品型号 | 电机型号功率(Kw) | 外形及安装尺寸 | ||||||||||||||||||
| A | L1 | L2 | L3 | L4 | a | f | X | L5 | B2 | B3 | B4/B5 | h1 | h2/h2' | h3 | H | H1 | H2 | n-d | ||
| IH50-32-125 | YB801-4/0.55 |
|
820 | 150 | 540 | 330 | 80 | 385 | 100 | 895 | 360 | 320 | 150/225 | 112 | 170/325 | 25 | 197 | 317 | 442 | 4-φ19 |
| YB802-2/1.1 | ||||||||||||||||||||
| YB90S-2/1.5 | 80 | 360 | 925 | 155/225 | 190/340 |
|
||||||||||||||
| YB90L-2/2.2 | 920 | 170 | 600 | 385 | 950 | 390 | 350 | 30 | 447 | |||||||||||
| YB100L-2/3.0 | 430 | 995 | 180/225 | 245/370 | 467 | |||||||||||||||
| IH50-32-160 | YB801-4/0.55 |
|
820 | 150 | 540 | 330 | 80 | 385 | 100 | 895 | 360 | 320 | 150/225 | 132 | 170/325 | 25 | 217 | 377 | 462 | 4-φ19 |
| YB802-4/0.75 | 25 | |||||||||||||||||||
| YB90S-4/1.1 | 360 | 925 | 155/225 | 190/340 | 25 | 467 | ||||||||||||||
| YB90L-2/2.2 | 80 | 920 | 170 | 600 | 385 | 950 | 390 | 350 | 30 | |||||||||||
| YB100L-2/3.0 | 430 | 995 | 180/225 | 245/370 | 30 | 482 | ||||||||||||||
| YB112M-2/4.0 | 460 | 1025 | 190/225 | 265/385 | 30 | 490 | ||||||||||||||
| YB132S1-215.5 | 1020 | 190 | 660 | 510 | 1070 | 450 | 400 | 210/240 | 315/430 | 60 | 510 | 4-φ24 | ||||||||
| IH50-32-200 | YB801-4/0.55 | 80 | 820 | 150 | 540 | 330 | 80 | 385 | 100 | 895 | 360 | 320 | 150/225 | 160 | 1701325 | 30 | 245 | 425 | 490 | 4-φ19 |
| YB802-4/0.75 | ||||||||||||||||||||
| YB90S-4/I.I | 360 | 925 | 155/225 | 190/340 | 25 | 495 | ||||||||||||||
| YB90L-4/1.5 | 920 | 170 | 600 | 380 | 950 | 390 | 350 | 30 | ||||||||||||
| YB112M-2/4.0 | 460 | 1025 | 1901225 | 265/385 | 30 | 518 | ||||||||||||||
| YB132S1-215.5 | 1020 | 190 | 660 | 510 | 1075 | 450 | 400 | 210/240 | 3151430 | 30 | 260 | 440 | 543 | 4-φ24 | ||||||
| YB132S2-2/7.5 | 30 | |||||||||||||||||||
| YB160M1-2/11 | 1140 | 210 | 740 | 655 | 1220 | 490 | 440 | 255/240 | 385/485 | 30 | 585 | |||||||||
| IH50-32-250 | YB90S-4/1.1 | 95 | 1020 | 190 | 660 | 360 | 100 | 500 | 100 | 1060 | 450 | 400 | 155/255 | 180 | 1901340 | 30 | 265 | 490 | 515 | 4-φ24 |
| YB90L-4/1.5 | 385 | 1085 | ||||||||||||||||||
| YB100L1-4/2.2 | 430 | 1130 | 1801225 | 245/370 | 535 | |||||||||||||||
| YB100L2-4/3.0 | ||||||||||||||||||||
| YB132S2-2/7.5 | 1140 | 210 | 740 | 510 | 1210 | 490 | 440 | 210/240 | 315/430 | 280 | 525 | 578 | ||||||||
| YB160M1-2/11 | 12K | 225 | 840 | 655 | 1355 | 540 | 490 | 255/240 | 385/485 | 300 | 625 | |||||||||
| YB160M2-2/15 | ||||||||||||||||||||
| YB160L-2/18.5 | 695 | 1395 | ||||||||||||||||||
| YB180M1-2/22 | 730 | 1430 | 2851240 | 4301525 | 645 | |||||||||||||||
| 产品型号 | 电机型号功率(Kw) | 外形及安装尺寸 | ||||||||||||||||||
| A | L1 | L2 | L3 | L4 | a | f | x | L5 | B2 | B3 | B4/B5 | h1 | h2/h2' | h3 | H | H1 | H2 | n-d | ||
| IH65-50-125 | YB801-4/0.55 | 80 | 820 | 150 | 540 | 330 | 80 | 385 | 100 | 895 | 360 | 320 | 150/225 | 112 | 170/325 | 25 | 197 | 337 | 442 | 4-φ19 |
| YB802-4/0.75 | ||||||||||||||||||||
| YB90L-2/2.2 | 920 | 170 | 600 | 385 | 950 | 390 | 350 | 155/225 | 190/340 | 30 | 447 | |||||||||
| YB100L-2/3.0 | 430 | 995 | 180/225 | 245/370 | 467 | |||||||||||||||
| YBI12M-2/4.0 | 460 | 1025 | 190/225 | 265/385 | 495 | |||||||||||||||
| YB132S1-2/5.5 | 020 | 190 | 660 | 510 | 1075 | 450 | 400 | 210/240 | 315/430 | 490 | 4-φ24 | |||||||||
| IH65-50-160 | YB801-4/0.55 | 80 | 820 | 150 | 540 | 330 | 80 | 385 | 100 | 895 | 360 | 320 | 150/225 | 132 | 170/325 | 25 | 217 | 377 | 462 | 4-φ19 |
| YB802-4/0.75 | ||||||||||||||||||||
| YB90S-4/1.1 | 360 | 925 | 155/225 | 190/340 | 467 | |||||||||||||||
| YB90L-4/1.5 | 920 | 170 | 600 | 385 | 950 | 390 | 350 | 30 | ||||||||||||
| YB100L-2/3.0 | 430 | 995 | 180/225 | 245/370 | 487 | |||||||||||||||
| YB112M-2/4.0 | 460 | 1025 | 190/225 | 265/385 | 490 | |||||||||||||||
| YB132S1-2/5.5 | 1020 | 190 | 660 | 510 | 1075 | 450 | 400 | 210/240 | 315/430 | 30 | 212 | 372 | 515 | 4-φ24 | ||||||
| YB132S-2/7.5 | ||||||||||||||||||||
| YB160M1-2/11 | 140 | 210 | 740 | 655 | 1220 | 490 | 440 | 255/240 | 385/485 | 557 | ||||||||||
| IH65-40-200 | YB802-4/0.75 | 80 | 920 | 170 | 600 | 330 | 100 | 385 | 100 | 915 | 390 | 350 | 150/225 | 160 | 170/325 | 30 | 245 | 425 | 490 | 4-φ19 |
| YB90S-4/1.1 | 360 | 945 | 155/225 | 190/340 | 495 | |||||||||||||||
| YB90L-4/1.5 | 385 | 970 | ||||||||||||||||||
| YB100L1-4/2.2 | 430 | 1015 | 180/225 | 245/370 | 515 | |||||||||||||||
| YB132S1-2/5.5 | 1020 | 190 | 660 | 510 | 1095 | 450 | 400 | 210/240 | 315/430 | 30 | 260 | 425 | 543 | 4-φ24 | ||||||
| YB132S1-2/7.5 | ||||||||||||||||||||
| YB160M1-2/11 | 1140 | 210 | 740 | 655 | 1240 | 490 | 440 | 255/240 | 385/485 | 440 | 585 | |||||||||
| YB160Mr2/15 | ||||||||||||||||||||
| IH65-40-250 | YB90S-4/1.1 | 1020 | 190 | 660 | 360 | 100 | 500 | 100 | 1060 | 450 | 400 | 155/225 | 190/340 | 265 | 490 | 515 | 4-φ24 | |||
| YB90L-4/I.5 | 385 | 1080 | ||||||||||||||||||
| YB100L1-4/2.2 | 1130 | 180/225 | 245/370 | 535 | ||||||||||||||||
| YB100L1-4/3.0 | 430 | |||||||||||||||||||
| YB112M-4/4.0 | 460 | 1160 | 190/225 | 265/385 | 30 | 538 | ||||||||||||||
| YB160M1-2/11 | 95 | 1270 | 225 | 840 | 655 | 1355 | 540 | 490 | 255/240 | 180 | 385/485 | 300 | 525 | 625 | ||||||
| YB160M-2/15 | ||||||||||||||||||||
| YB160L-2/18.5 | 695 | 1395 | ||||||||||||||||||
| YB180M-2/22 | 730 | 1420 | 285/240 | 430/525 | 645 | |||||||||||||||
| YB200L1-2/30 | 1420 | 250 | 940 | 803 | 1503 | 610 | 550 | 310/290 | 475/590 | 40 | 320 | 545 | 710 | 4-φ28 | ||||||
| IH65-40-315 | YB100L-4/3.0 | 95 | 1140 | 210 | 740 | 430 | 125 | 500 | 100 | 1155 | 490 | 440 | 180/225 | 245/370 | 30 | 300 | 550 | 570 | 4-φ24 | |
| YB112M-4/4.0 | 460 | 1185 | 190/225 | 265/385 | 573 | |||||||||||||||
| YB132S-4/5.5 | 510 | 1235 | 210/240 | 315/430 | 598 | |||||||||||||||
| YB132M-4/7.5 | 550 | 1275 | ||||||||||||||||||
| YB160M-4/11 | 1270 | 225 | 840 | 655 | 1380 | 540 | 490 | 255/240 | 385/485 | 320 | 570 | 645 | ||||||||
| YB160M-2/15 | 200 | |||||||||||||||||||
| YB160L-2/18.5 | 695 | 1420 | ||||||||||||||||||
| YB180M-2/22 | 730 | 1455 | 285/240 | 430/525 | 665 | |||||||||||||||
| YB200L1-2/30 | 1420 | 250 | 940 | 803 | 1528 | 610 | 550 | 310/290 | 475/590 | 40 | 340 | 590 | 730 | 4-φ28 | ||||||
| YB200L-2/37 | ||||||||||||||||||||
| YB225M-2/45 | 840 | 1565 | 345/290 | 530/615 | ||||||||||||||||
| 产品型号 | 电机型号功率(Kw) | 外形及安装尺寸 | ||||||||||||||||||
| A | L1 | L2 | L3 | L4 | a | f | X | L5 | B2 | B3 | B4/B5 | h1 | H2/h2' | h3 | H | H1 | H2 | n-d | ||
| IH80-65-125 | YB801-4/0.55 | 80 | 820 | 150 | 540 | 330 | 100 | 385 | 100 | 915 | 360 | 320 | 150/225 | 170/325 | 25 | 217 | 377 | 462 | 4-φ19 | |
| YB802-4/0.75 | ||||||||||||||||||||
| YB90S-4/1.1 | 360 | 945 | 155/225 | 190/340 | 467 | |||||||||||||||
| YB90L-4/1.5 | 920 | 170 | 600 | 380 | 970 | 390 | 350 | |||||||||||||
| YB100L-2/3.0 | 430 | 1015 | 180/225 | 132 | 245/370 | 30 | 487 | |||||||||||||
| YB112M-2/4.0 | 460 | 1045 | 190/225 | 265/385 | 490 | |||||||||||||||
| YB132S1-2/5.5 | 1020 | 190 | 660 | 510 | 1095 | 450 | 400 | 210/240 | 315/430 | 515 | 4-φ24 | |||||||||
| YB132S2-2/7.5 | ||||||||||||||||||||
| YB160M1-2/11 | 1140 | 210 | 740 | 655 | 1240 | 490 | 440 | 255/240 | 385/485 | 232 | 392 | 557 | ||||||||
| IH80-65-160 | YB802-4/0.75 | 920 | 170 | 600 | 330 | 100 | 385 | 100 | 915 | 390 | 350 | 150/225 | 170/325 | 25 | 245 | 425 | 490 | 4-φ19 | ||
| YB90S-4/1.1 | 360 | 945 | 155/225 | 190/340 | 495 | |||||||||||||||
| YB90L-4/1.5 | 385 | 970 | ||||||||||||||||||
| YB100L1-4/2.2 | 430 | 1015 | 180/225 | 245/370 | 515 | |||||||||||||||
| YB132S1-2/5.5 | 80 | 1020 | 190 | 660 | 510 | 1095 | 450 | 400 | 210/240 | 160 | 315/430 | 30 | 543 | 4-φ24 | ||||||
| YB132S2-2/7.5 | ||||||||||||||||||||
| YB160MI-2/II | 1140 | 210 | 740 | 655 | 1240 | 490 | 440 | 255/240 | 385/485 | 260 | 440 | 585 | ||||||||
| YB160M2-2/15 | ||||||||||||||||||||
| IH80-50-200 | YB90S-4/1.1 | 80 | 920 | 170 | 600 | 360 | 100 | 385 | 100 | 945 | 390 | 350 | 155/225 | 190/340 | 245 | 445 | 495 | 4-φ18.5 | ||
| YB90L-4/1.5 | 385 | 970 | ||||||||||||||||||
| YB100L1-4/2.2 | 430 | 1015 | 180/225 | 245/370 | 515 | |||||||||||||||
| YB100L2-4/3.0 | ||||||||||||||||||||
| YBI12M-4/4.0 | 460 | 1045 | 190/225 | 265/385 | 518 | |||||||||||||||
| YB132S2-2/7.5 | 1020 | 190 | 660 | 510 | 1095 | 450 | 400 | 210/240 | 160 | 315/430 | 30 | 543 | 4-φ24 | |||||||
| YB160MI-2/11 | 1140 | 210 | 740 | 655 | 1240 | 490 | 440 | 255/240 | 385/485 | 260 | 460 | 585 | ||||||||
| YB160M2-2/15 | 1280 | |||||||||||||||||||
| YB160L-2/18.5 | 695 | |||||||||||||||||||
| YB180M-2/22 | 730 | 1315 | 285/240 | 430/525 | 260 | 460 | 605 | |||||||||||||
| IH80-50-250 | YB100L1-4/2.2 | 95 | 1020 | 190 | 660 | 430 | 125 | 500 | 100 | 1155 | 450 | 400 | 180/225 | 245/370 | 265 | 490 | 535 | 4-φ24 | ||
| YB100L2-4/3.0 | ||||||||||||||||||||
| YB112M-4/4.0 | 460 | 1185 | 190/225 | 265/385 | 505 | 538 | ||||||||||||||
| YB1325-415.5 | 1140 | 210 | 740 | 510 | 1235 | 490 | 440 | 210/240 | 315/430 | 30 | 280 | 578 | ||||||||
| YB132M-4/7.5 | 550 | 1275 | ||||||||||||||||||
| YB160M2-2/15 | 1270 | 225 | 840 | 655 | 1380 | 540 | 490 | 255/240 | 180 | 385/485 | 300 | 525 | 625 | |||||||
| YB160L-2/18.5 | 695 | 1420 | ||||||||||||||||||
| YB180M-2/22 | 730 | 1455 | 285/240 | 430/525 | 645 | |||||||||||||||
| YB200L1-2/30 | 1420 | 250 | 940 | 803 | 1528 | 610 | 550 | 310/290 | 475/590 | 40 | 320 | 545 | 715 | 4-φ28 | ||||||
| YB200L1-2/37 | ||||||||||||||||||||
| YB225M-2/45 | 840 | 1565 | 345/290 | 530/615 | 730 | |||||||||||||||
| IH80-50-315 | YB112M-4/4.0 | 1140 | 210 | 740 | 460 | 125 | 500 | 100 | 1135 | 490 | 440 | 190/225 | 265/385 | 30 | 325 | 605 | 598 | 4-φ24 | ||
| YB132S-4/5.5 | 510 | 1235 | 210/240 | 315/430 | 623 | |||||||||||||||
| YB132M-4/7.5 | 550 | 1275 | ||||||||||||||||||
| YB160M-4/11 | 1270 | 225 | 840 | 655 | 1380 | 540 | 490 | 255/240 | 385/485 | 40 | 345 | 625 | 670 | |||||||
| YB160L-4/15 | 695 | 1420 | ||||||||||||||||||
| YB200L1-2/30 | 95 | 1420 | 250 | 940 | 803 | 1528 | 610 | 550 | 310/290 | 225 | 475/590 | 365 | 645 | 755 | 4-φ28 | |||||
| YB200L2-2/37 | ||||||||||||||||||||
| YB225M-2/45 | 840 | 1565 | 345/290 | 530/615 | 40 | |||||||||||||||
| YB250M-2/55 | 1620 | 290 | 1060 | 935 | 1660 | 660 | 600 | 385/330 | 575/740 | 385 | 665 | 875 | ||||||||
| YB280S-2/75 | 1820 | 320 | 120c | 1010 | 1735 | 730 | 670 | 410/330 | 640/800 | 385 | 665 | 905 | ||||||||
| 产品型号 | 电机型号功率(Kw) | 外形及安装尺寸 | ||||||||||||||||||
| A | L1 | L2 | L3 | k | a | f | X | L5 | B2 | B3 | B4/B5 | h1 | H2/h2' | h3 | H | H1 | H2 | n-d | ||
| IH100-80-125 | YB802-4/0.75 | 95 | 920 | 170 | 600 | 330 | 915 | 390 | 150/225 | 170/325 | 30 | 245 | 425 | 490 | 4-φ19 | |||||
| YB90S-4/1.1 | 360 | 945 | 155/225 | 190/340 | 495 | |||||||||||||||
| YB90L-4/1.5 | 385 | 970 | 350 | |||||||||||||||||
| YBI00L1-4/2.2 | 430 | :015 | 180/225 | 245/370 | 515 | |||||||||||||||
| YB100L-4/3.0 | ||||||||||||||||||||
| YBI12M-4/4.0 | 460 | 100 | 385 | 100 | 1045 | 190/225 | 160 | 265/385 | 518 | |||||||||||
| YB132S1-2/5.5 | 1020 | 190 | 660 | 510 | 1095 | 450 | 400 | 210/240 | 315/430 | 245 | 425 | 543 | 4-φ24 | |||||||
| YB132S2-2/7.5 | ||||||||||||||||||||
| YB160M1-2/11 | 1140 | 210 | 740 | 655 | 1240 | 490 | 440 | 255/240 | 385/485 | 30 | 260 | 440 | 585 | |||||||
| YB160M2-2/15 | ||||||||||||||||||||
| IH100-80-160 | YB90L-4/1.5 | 95 | 1020 | 190 | 660 | 385 | 100 | 500 | 100 | 1085 | 450 | 400 | 155/225 | 190/340 | 245 | 445 | 495 | 4-φ24 | ||
| YB100L1-4/2.2 | 430 | 1130 | 1801225 | 245/370 | 515 | |||||||||||||||
| YB100L2-4/3.0 | ||||||||||||||||||||
| YB112M-4/4j0 | 460 | 1160 | 1901225 | 3651385 | 518 | |||||||||||||||
| YB132S-2/7.5 | 1140 | 210 | 740 | 510 | 1210 | 490 | 440 | 210/240 | 315/430 | 30 | 260 | 460 | 558 | |||||||
| YB160M1-2/11 | 1270 | 225 | 840 | 655 | 1355 | 540 | 490 | 255/240 | 160 | 385/485 | 280 | 480 | 605 | |||||||
| YB160M2-2/15 | ||||||||||||||||||||
| YB160L-2/18.5 | 695 | 1395 | ||||||||||||||||||
| YB180M-2/22 | 730 | 1430 | 285/240 | 430/525 | 625 | |||||||||||||||
| YB200L1-2/30 | 142C | 250 | 940 | 803 | 1503 | 610 | 550 | 310/290 | 475/590 | 40 | 300 | 500 | 690 | 4-φ28 | ||||||
| IH100-65-200 | YB100L1-4/2.2 | 95 | 1140 | 210 | 740 | 430 | 100 | 500 | 140 | 1170 | 490 | 440 | 1801225 | 245/370 | 30 | 280 | 505 | 550 | 4-φ24 | |
| YB100L-4/3.0 | ||||||||||||||||||||
| YB112M-4/4.0 | 460 | 1200 | 1901225 | 265/385 | 553 | |||||||||||||||
| YB132S-415.5 | 510 | 1250 | 210/240 | 315/430 | 578 | |||||||||||||||
| YB132M-4/7.5 | 550 | 1290 | ||||||||||||||||||
| YB160M-2/15 | 1270 | 225 | 840 | 655 | 1395 | 540 | 490 | 255/240 | 160 | 385/485 | 525 | 625 | ||||||||
| YB160L-2/18.5 | 695 | 1435 | ||||||||||||||||||
| YB180M-2/22 | 730 | 1470 | 285/240 | 430/525 | 40 | 645 | ||||||||||||||
| YB200L1-2/30 | 1420 | 250 | 940 | 803 | 1543 | 610 | 550 | 310/290 | 475/590 | 300 | 545 | 710 | 4-φ28 | |||||||
| YB200L2-2/37 | ||||||||||||||||||||
| YB225M-2/45 | 340 | 158C | 3451290 | 530/615 | 320 | 545 | 710 | |||||||||||||
| IH100-65-250 | YB100L2-4/3.0 | 110 | 1140 | 210 | 740 | 430 | 125 | 500 | 140 | 1195 | 490 | 440 | 1801225 | 2451370 | 30 | 300 | 550 | 570 | 4-φ24 | |
| YBI12M-4/4.0 | 460 | 1225 | 190/225 | 265/385 | 573 | |||||||||||||||
| YB13252-4/5.5 | 510 | 1275 | 210/240 | 315/430 | 598 | |||||||||||||||
| YB132M-4/7.5 | 550 | 1315 | ||||||||||||||||||
| YB160M-4/11 | 127C | 225 | 840 | 665 | 1420 | 540 | 490 | 255/240 | 385/485 | 320 | 570 | 645 | ||||||||
| YB160L1-4/15 | 695 | 1460 | ||||||||||||||||||
| YB180M-2/22 | 730 | 1495 | 285/240 | 200 | 4301525 | 665 | ||||||||||||||
| YB200L1-2/30 | 1420 | 250 | 940 | 803 | 1570 | 610 | 550 | 310/290 | 475/590 | 340 | 590 | 736 | 4-φ28 | |||||||
| YB200L2-2/37 | ||||||||||||||||||||
| YB225M-2/45 | 870 | 1635 | 345/290 | 530/615 | 40 | 340 | 590 | 750 | ||||||||||||
| YB250M-2/55 | 1620 | 290 | 1060 | 935 | 170C | 660 | 600 | 385/290 | 575/740 | 360 | 610 | 850 | ||||||||
| YB280S-2/75 | 1820 | 320 | 1200 | 101( | 1775 | 730 | 670 | 410/330 | 640/800 | 360 | 610 | 880 | ||||||||
| 产品型号 | 电机型号功率(Kw) | 外形及安装尺寸 | ||||||||||||||||||
| A | L1 | L2 | L3 | k | a | f | X | L5 | B2 | B3 | B4/B5 | h1 | h2/h2' | h3 | H | H1 | H2 | n-d | ||
| IH100-65-315 | YB132S-4/5.5 | 110 | 1270 | 225 | 840 | 510 | 125 | 530 | 140 | 1305 | 540 | 490 | 210/240 | 315/430 | 30 | 345 | 625 | 643 | 4-φ24 | |
| YB132M-4/7.5 | 550 | 1345 | ||||||||||||||||||
| YB160M-4/11 | 655 | 1450 | 255/240 | 385/485 | 670 | |||||||||||||||
| YB160L-4/15 | 1420 | 250 | 940 | 695 | 1490 | 610 | 550 | 40 | 365 | 645 | 670 | 4-φ28 | ||||||||
| YB180M-4/18.5 | 730 | 1525 | 285/240 | 430/525 | 710 | |||||||||||||||
| YB200L2-2/37 | 310/290 | 225 | 47S/590 | 755 | ||||||||||||||||
| YB225M-2/45 | 1620 | 290 | 1060 | 870 | 1665 | 660 | 600 | 345/290 | S30/615 | 755 | ||||||||||
| YB250M-2/55 | 935 | 1730 | 38S/330 | 575/740 | 385 | 665 | 875 | |||||||||||||
| YB280S-2/75 | 1820 | 320 | 120C | 1010 | 1805 | 730 | 670 | 410/330 | 640/800 | 385 | 665 | 905 | ||||||||
| YB280M-2/90 | 1060 | 1855 | ||||||||||||||||||
| IH125-100-200 | YB112M-4/4.0 | 110 | 1140 | 210 | 740 | 460 | 125 | 500 | 140 | 1225 | 490 | 440 | 190/225 | 200 | 265/385 | 30 | 300 | 580 | 573 | 4-φ24 |
| YB132S-4/5.5 | 510 | 1275 | 210/240 | 315/430 | 598 | |||||||||||||||
| YB132M-4/7.5 | 550 | 1315 | ||||||||||||||||||
| YB160M-4/11 | 1270 | 225 | 840 | 655 | 1420 | 540 | 490 | 250/240 | 385/485 | 320 | 600 | 645 | ||||||||
| YB200L-2/30 | 1420 | 250 | 940 | 803 | 1568 | 610 | 550 | 310/290 | 475/590 | 40 | 340 | 620 | 730 | 4-φ28 | ||||||
| YB200L2-2/37 | ||||||||||||||||||||
| YB225M-2/45 | 840 | 1605 | 345/290 | 530/615 | 340 | 620 | 730 | |||||||||||||
| YB250M-2/55 | 1620 | 290 | 1060 | 935 | 1700 | 660 | 600 | 385/330 | 575/740 | 360 | 640 | 850 | ||||||||
| YB280S-2/75 | 1820 | 320 | 1200 | 1010 | 1775 | 730 | 670 | 410/330 | 640/800 | 360 | 640 | 880 | ||||||||
| IH125-100-250 | YB132S-4/5.5 | 110 | 1270 | 225 | 840 | 510 | 140 | 530 | 140 | 1320 | 540 | 490 | 210/240 | 315/430 | 30 | 345 | 625 | 643 | 4-φ24 | |
| YB132M-4/7.5 | 550 | 1360 | ||||||||||||||||||
| YB160M-4/11 | 655 | 1465 | 255/240 | 385/485 | 670 | |||||||||||||||
| YB160L-4/15 | 1420 | 250 | 940 | 695 | 1505 | 610 | 550 | 40 | 365 | 645 | 690 | 4-φ28 | ||||||||
| YB180M-4/18.5 | 730 | 1540 | 285/240 | 225 | 430/525 | 710 | ||||||||||||||
| YB225M-2/45 | 1620 | 290 | "060 | 840 | 1650 | 660 | 600 | 345/290 | 530/615 | 385 | 665 | 775 | ||||||||
| YB250M-2/55 | 935 | 1745 | 385/330 | 575/740 | 385 | 665 | 875 | |||||||||||||
| YB280S-2/75 | 1820 | 320 | 1200 | 1010 | 1820 | 730 | 670 | 410/330 | 640/800 | 385 | 665 | 905 | ||||||||
| YB280M-2/90 | 1060 | 1870 | ||||||||||||||||||
| IH125-100-315 | YB160M-4/11 | 110 | 1270 | 225 | 840 | 655 | 1465 | 540 | 490 | 255/240 | 385/485 | 370 | 685 | 695 | 4-φ24 | |||||
| YB160L-4/15 | 1420 | 250 | 940 | 695 | 1505 | 610 | 550 | 390 | 705 | 715 | 4-φ28 | |||||||||
| YB180M-4/18.5 | 730 | 1540 | 285/240 | 430/525 | 735 | |||||||||||||||
| YB180L-4/22 | 750 | 1560 | ||||||||||||||||||
| YB200L-4/30 | 803 | 140 | 530 | 140 | 1613 | 310/290 | 250 | 475/590 | 40 | 780 | ||||||||||
| YB225S-4/37 | 845 | 1655 | 345/290 | 530/615 | ||||||||||||||||
| YB280S-2/75 | 1820 | 320 | 1200 | 1010 | 1820 | 730 | 670 | 410/330 | 640/800 | 410 | 725 | 930 | ||||||||
| YB280M-2/90 | 1060 | 1870 | ||||||||||||||||||
| IH125-100-400 | YB160L-4/15 | 130 | 1620 | 290 | 1060 | 695 | 140 | 530 | 140 | 1505 | 660 | 600 | 225/240 | 385/485 | 40 | 440 | 795 | 765 | 4-φ28 | |
| YB180M-4/18.5 | 730 | 1540 | 285/240 | 430/S2S | 785 | |||||||||||||||
| YB180L-4/22 | 750 | 1560 | ||||||||||||||||||
| YB200L-4/30 | 803 | 1613 | 310/290 | 280 | 47S/S90 | 836 | ||||||||||||||
| YB225S-4/37 | 845 | 1655 | 345/290 | 530/615 | 850 | |||||||||||||||
| YB225M-4/45 | 870 | 168C | ||||||||||||||||||
| YB250M-4/55 | 935 | 1745 | 385/330 | 575/740 | 930 | |||||||||||||||
安装
一、IH型的不锈钢化工离心泵安装是否合理,对泵的正常运行和使用寿命有很重要的影响,所以安装前必须仔细校正,不得草率,泵的外形及安装尺寸。
二、必须保证泵在工作时不超过其允许汽蚀余量。泵的吸上高度(或倒灌高度)必须根据泵的汽蚀余量特性,管路阻力损失特性及高温水的吸入液面压力来确定。
1、泵吸上使用情况下,应在吸入管路上装上底阀,并在出口管路上设置壤液螺孔或阀门,以供起动前灌泵之用。
2、泵倒灌使用情况下,应在吸入管路上装上阀门和过滤器,以免杂物进入。
三、吸入和吐出管路应该另有支架,不能用作支承。
四、安装的地点,应便于巡回检查和检修。
五、IH型不锈钢化工泵安装顺序:
1、将机组放在埋有地脚螺栓的基础上,在底座和基础之间放置成对的楔垫作找正之用。
2、松开联轴器。用水平仪分别放在泵轴或底座上,通过调整禊垫,找正机组的水平后,适当拧紧地脚螺栓,以防走动。
3、用混凝土灌注底座和地脚螺检孔。
4、待混凝土干涸后,应拧紧地脚螺栓,并重新检查泵轴的氷平度。
5、在接好管路及确定原动机转动方向以后,接上联轴器,再核对一遍轴的同心度,测量联轴器的外园上下,左右的差异不得超过0.1mm,两联轴器端面间隙,在一周内大和小的间咪差不得超过0.3mm.
6、在机组实际运行3 — 4小时后作后检查,如无不良现象,则认为安装合格。
2、检查托架内润滑油量是否适量(油面在油位计中心线2mm左右)油位计是否完好。
3、未接联轴器前检查原动机的转向,与泵的转向箭头一致后,接好联轴器。
4、在装好机械密封或填料和联轴器后可方使地用手转动泵轴,应无碰擦现象,并将联轴器的防护罩安装好。
5、IH型不锈钢化工泵在吸上情况下使用,起动前应灌泵或抽真空;泵在倒灌情况下使用,起动前应用所输送液体将泵灌满,驱除泵中的空气后,将吐出管的闸阀关闭。
6、IH型不锈钢化工泵起动前检查基础螺检有无松动。压盖是否歪斜,以及润滑油和冷却水的供应情况。
起动、运行与停止
IH型不锈钢化工泵运行:
1、经常检查泵和电机的发热情况(轴承的温升不应超过75℃)及油位计供油情况。一般每运行1500小时后,要全部更换润滑油一次。
2、不能用吸入阀来调节流量,避免产生汽蚀。
3、IH型不锈钢化工泵不宜在低于30%设计流量下连续运转,如果必须在该条件下连续运转,则应在出口处安装旁通管,排放多余的流量。
4、注意泵运转有无杂音,如发现异常状态时,应及时消除或停车检查。
IH型不锈钢化工泵停止:
1、缓慢关闭吐出口管路闸阀(如果泵在倒灌情况下使用,还要关闭吸入管路的闸阀)、并关闭各种仪表的开关。
2、切断电源
3、如果IH型不锈钢化工离心泵的密封采用外部引液时,还要关闭外引液阀门。
4、如果IH型不锈钢化工泵使用环境温度低于液体凝固点时,要放净泵内的液体,以防冻裂。
5、如果IH型不锈钢化工泵长时间停车不用,除将泵内的腐蚀性液体放净外,各零部件应拆卸清洗干净,尤其是密封腔。好是将泵拆下清洗后重新装好,除涂油防锈处理和封闭泵进、出口外,还应定期检。
拆卸与装配
IH型不锈钢化工泵拆卸:
由于采用了加长联轴器,拆卸泵时,不必拆卸进、出口管路,泵体和电机,只需拆下加长联轴器中的中间联轴器,即可拆出转子部件,进行维修、保养。
1、拆下泵体上的泄液管堵和悬架体上的放油管堵,放净泵内液体和悬架体内的润滑油。(注:如泵上还有另外附加管路亦应拆下)。
2、拆开泵体与中间支架的联结、并将中间支架、悬架部件和泵盖等全部转子部件从泵体中一起退出。
3、拆下叶轮螺母、取下叶轮和键。
4、将泵盖连同轴套、机械密封端盖和稞械密封等部件一起从轴上退出。注意勿使轴套相对于泵盖等发生滑动,然后再拆下机械密封端盖,将机械密封连同轴套一起取下,再将轴套和机械密封拆开。
如果密封采用填料,则可从泵盖中直接拆下轴套,再顺次拆下填料压盖,填料和填料环等。如果密封采用特殊结构,应注意不同的拆卸方法。
5、拆下中间支架与悬架支架。
6、拆下泵联轴器和键。
7、拆下悬架体两端的防尘盘和轴承的前、后盖,再将轴连同轴承一起从悬架体内取下。
8、从泵轴上拆下轴承。
IH型不锈钢化工泵装配:与拆卸程序相反进行。
注意事项
IH型不锈钢化工泵可根据不同的使用条件安装不同形式的机械密封,〈如内装单端面平衡型和非平衡型, 双端面平衡型及非平衡型,外装式机械密封等。〉根据所选用密封型式的不同,其使用方法和注意事项也有所不同,具体情况请参阅机械密封安装使用说明书、GB3215-82"炼厂、化工及石油化工流程用离心泵通用技术条件",下面仅提几点一般应注意的事项。
1. 由于机械密封一般适用在清洁的,无悬浮颗粒的介质中使用,因此,对新安装的管路系统和储液灌,应认真冲洗干净,严防固体杂质进入机械密封端面帀使密封失效。
2. 在易结晶的介质中,使用机械密封应注意经常冲洗。停车后重新起动前,要将机械密封上的结晶清洗干净。
3. 拆卸机械密封应仔细,不许用手锤,铁器等敲击,以免破坏动、静环密封面。
4. 如果有污垢拆不下来时,应设法清除污垢,冲洗干净后再进行拆卸,以免损坏密封元件。
5. 安装机械密封前,应检查所有密封元件是否有失效或损坏,如有则应重新修复或更换。
6. 应严格检查动环与静环的相对磨擦密封面,不允许有任何细微的划痕、碰伤等缺陷。所有另部件,包括泵体,叶轮,密封腔等在装配前均应冲洗千净,尤其是动、静环端面,要用清洁,柔软的布或棉纱认真擦拭干净,然后涂上一层清洁的油脂或机油。
7. 装配中要注意消除偏差,紧固螺钉时,要均匀拧紧,避免发生偏斜,使密封失效。
8. 正确调整弹黃的压缩量,泵安装好以后,以手扳动转子时,应感觉到密封弹黃既有一定的压缩量,而又能轻快、灵活地转动没有咬紧的感觉。如感觉太紧或盘不动,则应适当调松一些。
9.对有外部冲洗的机械密封,起动前应先开启冲洗波,使密封腔内充满密封液。停车时,先停泵,后关密封冲洗液。
故障原因及排除方法
| 故障的可能原因 | 泵输不出液体 | 流量、扬程不足 | 功率消耗过大 | 产生振动及躁音 | 密封处泄漏过多 | 轴封(包括填料函)发热 | 泵过份发热及转不动 | 轴承发热及轴承磨损 | 消除方法 |
| 泵内或吸入管内留有空气 | 0 | 0 | 0 | 重新灌泵排除空气 | |||||
| 吸上扬程过高或灌注高不够 | 0 | 0 | 0 | 降低泵位,增加进口处压力 | |||||
| 吸入管经过小或有杂物诸塞 | 0 | 0 | 0 | 加大吸入管径,清除#塞 | |||||
| 吸入管浸入深度不够或漏气 | 0 | 0 | 增大浸入深度或检修管路 | ||||||
| 转速过高或过低 | 0 | 0 | 0 | 按规定要求检查原动机转速 | |||||
| 泵转向不对 | 0 | 0 | 调整转向 | ||||||
| 总扬程与泵扬程不符 | 0 | 0 | 0 | 降低吐出系统阻力或高度 | |||||
| 介质重度与粘度与果要求不符 | 0 | 0 | 0 | 应进行换算 | |||||
| 在流量过小时运转产生振动 | 0 | 0 | 0 | 0 | 加大流量或设旁通循环管 | ||||
| 泵与电机轴线不一致或轴穹曲 | 0 | 0 | 0 | 0 | 0 | 校正 | |||
| 转动部分与固定部分有磨擦 | 0 | 0 | 0 | 0 | 检修泵或改善使用.工况 | ||||
| 轴承磨损严重或损坏 | 0 | 0 | 0 | 0 | 更换之 | ||||
| 密封环磨损过多 | 0 | 0 | 更换之 | ||||||
| 轴套、'填料或动静钚磨损过多 | 0 | 0 | 0 | 0 | 更换之 | ||||
| 填料〈或机械密封)选用或安装不当 | 0 | 0 | 0 | 0 | 按使用要求重新选用或安装 | ||||
| 转动部分不平衡引起振动 | 0 | 0 | 0 | 0 | 0 | 检查原因设法消除 | |||
| 油室油量过多(或油过脏) | 0 | 0 | 0 | 按油位要求计加油〖或换新油〉 | |||||
| 管路或泵内有.杂物堵塞 | 0 | 0 | 0 | 检查并排除 | |||||
| 密封液压力不当 | 0 | 0 | 应按密封腔前的压力,加大0.049~0.147MPa | ||||||
| 填料压盖过紧或过松 | 0 | 0 | 0 | 适当调整之 |
订货须知











