产品概述
1、我厂生产的FSB-L型氟塑料合金泵。适用于在,85℃--+200℃温度条件下输送物理性类似于水的介质:酸、氧化剂及腐蚀性介质(禁输快速硬质结晶体介质),过流部分全部采用塑料合金(聚四氟乙烯和聚全氟乙丙烯等多种材料)经过合理配方、模压1、我厂生产的FSB-L型氟塑料合金泵。适用于在,85℃--+200℃温度条件下输送物理性类似于水的介质:酸、氧化剂及腐蚀性介质(禁输快速硬质结晶体介质),过流部分全部采用塑料合金(聚四氟乙烯和聚全氟乙丙烯等多种材料)经过合理配方、模压、加工而成,它集多种塑料之优点,具有特强的耐腐蚀性,并具有机械强度高、不老化、无毒素分解等优点。
2、泵的设计说明:FSB型和FSB-L型是本厂采用特种泵加工工艺联合精心设计的新型塑料合金耐腐蚀系列产品,该产品具有设计合理、结构紧凑、性能可靠、使用维修方便、节约能源等优点。
3、FSB型和FSB.L型塑料合金泵系列产品的生产、制造及验收规范,严格执行了有关标准并台台检测、备案待查,以保证系列产品的质量。该产品广泛适用于化工、石油、制药、农药、染料、油漆、冶炼、造纸、电镀、食品等行业。
4、性能范围与型号说明:FSB型和FSB.L型系列耐腐蚀泵,全系列共19个规格。流量范围1.5.loom3/时,扬程范围10.50m。
型号意义说明

氟塑料合金的耐腐蚀性能
|
化学介质 使用温度 化学介质 使用温度 化学介质 使用温度 |
|
|
面 料 沸 点 二乙基醚 沸 点 盐 酸 沸 点
已二算二异丁偏 沸 点 氰 氟 酸 沸 点 偏二甲阱 沸 点
过氧花氢 60℃ 对氧六环 沸 点 硝 酸 沸 点
醋 酸 酯 沸 点 氢氧化钾 沸 点 氟 萘 沸 点
高锰酸钾 沸 点 氟代硝基苯 沸 点 氢氧化钠 沸 点
硫 酸 沸 点 六氯乙烷 沸 点 丙 酮 200℃
联 氨 沸 点 苯 乙 酮 沸 点 苯 氨 沸 点
苯 酚 沸 点 苯甲酰氯 沸 点 硝 基 苯 沸 点
忑 醇 沸 点 四氧化二氮 沸 点 甲 酚 沸 点
全氯二甲苯 沸 点 环 已 酮 沸 点 酚 沸 点
二酸二丁酯 沸 点 全氯乙烯 沸 点 芳香族脂肪族溶剂 200℃
磷 酸 沸 点 氯 酸 碳 94℃ 肥皂、洗涤剂 沸 点
环 已 烷 150℃ 次亚氯酸钠 沸 点 乙 醇 200℃
三氯乙酸 沸 点 溴 乙 基 100℃ 过氧化钠 沸 点
蚁 酸 100℃ 松 香 酸 182℃ 火 油 94℃
无水醋酸 150℃ 动植物油 200℃ 液 氨 26℃
臭 氧 26℃ 溴 94℃ 五氯化磷 94℃
正 丁 安 150℃ 二硫化碳 46℃ 二氯化锡 200℃
十 六 烷 52℃ 二甲苯 139℃ 氯 94℃
亚磷酸三甲苯酯 150℃
|
性能技术参数
|
型 号 |
配用功率 |
流量 |
扬程 |
口径mm |
转速 |
|
kw |
m3/h |
m |
进口 |
出口 |
r/min |
|
25FSB-10 |
1.5 |
1.5 |
10 |
25 |
20 |
2900 |
|
25FSB-18 |
2.2 |
3.6 |
18 |
|
40FSB-15 |
3 |
5 |
15 |
40 |
32 |
2900 |
|
40FSB-20 |
4 |
10 |
20 |
|
40FSB-30 |
4 |
30 |
|
40FSB-40 |
5.5 |
40 |
|
40FSB-50 |
7.5 |
50 |
|
50FSB-20 |
4 |
15 |
20 |
50 |
40 |
2900 |
|
50FSB-25 |
4 |
25 |
|
50FSB-30 |
4 |
30 |
|
50FSB-40 |
5.5-7.5 |
40 |
50 |
32 |
2900 |
|
50FSB-50 |
7.5-11 |
50 |
|
50FSB-63 |
11 |
63 |
|
65FSB-32 |
5.5 |
29 |
32 |
65 |
50 |
2900 |
|
65FSB-40 |
11 |
40 |
65 |
40 |
2900 |
|
65FSB-50 |
15 |
50 |
|
65FSB-64 |
15-18.5 |
64 |
65 |
50 |
2900 |
|
80FSB-20 |
5.5 |
50 |
20 |
80 |
65 |
2900 |
|
80FSB-30 |
7.5 |
30 |
|
80FSB-34 |
11 |
34 |
|
80FSB-40 |
11-15 |
40 |
80 |
50 |
2900 |
|
80FSB-50 |
15-18.5 |
50 |
|
80FSB-55 |
15-18.5 |
55 |
|
80FSB-80 |
30-37 |
80 |
|
100FSB-32 |
18.5-22 |
100 |
32 |
100 |
80 |
2900 |
|
100FSB-40 |
18.5-22 |
40 |
|
100FSB-50 |
22-30 |
50 |
100 |
65 |
性能曲线图


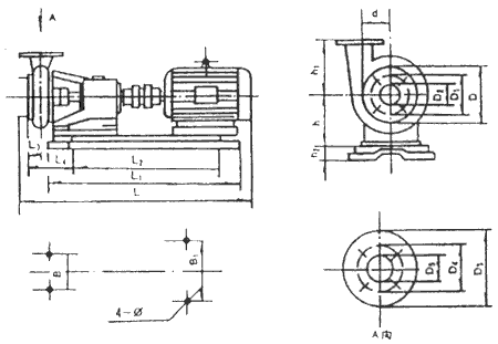
结构和工作原理

1、泵体2、叶轮3、后盖4、压盖5、密封件6、托架7、圆螺母
8、泵轴油盖l0、刘i镜i!、轴承l2、轴承压盖13、油封14、联轴器l5、拉杆
A、FSB.L型氟塑料合金由泵体、叶轮、后盖、密封件、托架、泵轴、轴承、联轴器、拉轩、螺母、底板组成。
1、泵体:左右两边连接部分内埋钢质法兰圈各一只模压氟塑料合金制成。
2、后盖:右边一侧内埋一只钢板模压氟塑料合金制成。
3、采用接叶轮轴连接方法、金属轴为优质钢精加工后外包氟塑料合金模压而成,使叶轮与金属接轴牢固地结为一体,保证轴根与叶轮后部承受旋转时的扭矩力,这样介质浸湿部分全部为氟塑料合金。
4、机械密封:采用英国格兰盘根公司与国内厂家联合生产的(WB2型、ST型)不用冷却水可调式端面密封新技术、由F50.1、高纯度三氯化铝陶瓷、填充囚氟、石墨等材料制成。
B、工作原理:由电动机通过弹性联轴器直联泵轴带动叶轮旋转。叶轮轴根部与泵轴通过莫氏锥度经拉轩穿过泵轴中心至连轴尾部处螺母吊紧而转动。
叶轮中的叶片迫使液体旋转,对液体作功,使其能量增加,液体在离心力的作用下向叶轮四周甩出,通过泵体的洛形流道将速度能转换成压力能,当叶轮内的液体甩出后,叶轮内压力就低于进水管内的压力,新的液体在这个.压力差的作用下被吸入叶轮,液体就连续不断地从泵内流出。
安装尺寸图

安装尺寸图

1、加工而成,它集多种塑料之优点,具有特强的耐腐蚀性,并具有机械强度高、不老化、无毒素分解等优点。
2、泵的设计说明:FSB型和FSB-L型是本厂采用特种泵加工工艺联合精心设计的新型塑料合金耐腐蚀系列产品,该产品具有设计合理、结构紧凑、性能可靠、使用维修方便、节约能源等优点。
3、FSB型和FSB.L型塑料合金泵系列产品的生产、制造及验收规范,严格执行了有关标准并台台检测、备案待查,以保证系列产品的质量。该产品广泛适用于化工、石油、制药、农药、染料、油漆、冶炼、造纸、电镀、食品等行业。密封采用自制和英国格兰盘根分司与国内联合生产的机械密封,使用几年来该产品在市场上享有耐腐蚀之的美名。目前,是杜绝跑、冒、滴、漏建设文明工厂的理想和防腐输送设备。
4、性能范围与型号说明:FSB型和FSB.L型系列耐腐蚀泵,全系列共19个规格。流量范围1.5.loom3/时,扬程范围10.50
订货须知
一、①产品名称与型号②口径③扬程(m)④电机功率(KW)⑥转速(r/min)⑦电压〔V〕⑧吸程(m)⑨是否带附件。以便我们的为您正确选型。
二、若已经由设计单位选定我公司的产品型号,请按产品名称与型号直接向我公司销售部订购。
三、当使用的场合非常重要或环境比较复杂时,请您尽量提供设计图纸和详细参数,由我们的技术专家为您审核把关。