概述
QBY系列气动隔膜泵是一种新型输送机械,是目前国内新颖的一种泵类。采用空气压缩机压缩空气为动力源,对于各种腐蚀性液体,带颗粒的液体,高粘度、易挥发、易燃、剧毒的液体,均能予以抽光吸尽。其性能参数与联邦德国的 WLLDENPVMPS、美国的MARIOWPUMPS相近.本厂目前已形成系列化生产,共有八种规格直径:10mm(3/8")、¢15mm(1/2")、¢25mm(1")、¢40mm( 1 1/2")、¢50mm(2")、¢65mm( 2 1/2")、¢80mm(3")、¢100mm(4")。三种材质、铝合金、铸铁、不锈钢。隔膜泵根据不同液体介质分别采用丁晴橡胶、氯丁橡胶、氟橡胶、聚四氟乙烯。以满足不同用户的需要。该泵自投产以来,已被国内一千多家石油、化工、电子、陶瓷、纺织、油漆、制药机械系统单位采用,安置在种特殊场合,用来抽送各种常规泵不能抽吸的介质,且替代齿轮泵的理想产品,均取的了满意的效果。
主要特点
1、不需灌引水,吸程高达7m,扬程达50m,出口压力≥6kgf/cm2;
2、流动宽敞,通过性能好,允许通过大颗粒直径达10mm。抽送泥浆、杂质时,对泵磨损甚微;
3、扬程、流量可通过气阀开度实现无级调节(气压调节在1-7kgf/cm2之间);
4、该泵无旋转部件,没有轴封,隔膜将抽送的介质与泵的运动部件、工作介质完全隔开,所输送的介质不会向外泄漏。所以抽送有毒、易发挥或腐蚀性介质时,不会造成环境污染和危害人身安全;
5、不必用电,在易燃、易爆场所使用安全可靠;
6、可以浸没在介质中工作;
7、作用方便、工作可靠、开停只需简单地打开和关闭气体阀门,即使由于意外情况而长时间无介质运行或突然停机,泵也不会因此而损坏,不旦超负荷,泵会自动地停机,具有自我保护性能,当负荷恢复正常后,又有自动启动运行;
8、结构简单、易损件少,该泵结构简单安装、维修方便,泵输送的介质不会接触到配气阀,联杆等运动件,不象其他类型的泵因转子、活塞、齿轮、叶片等部件的磨损而使性能逐步下降;
9、可输送较粘的液体(粘度在1万厘泊以下);
10、本泵无须用油润滑,即使空转,对泵也无任何影响,这是该泵一大特点。
主要用途
1、泵吸花生酱、泡菜、土豆泥、小红肠、果酱苹果浆、巧克力等。
2、泵吸油漆、树胶、颜料。
3、粘合剂和胶水、全部种类可用泵吸取。
4、各种瓦、瓷、砖器及陶器釉浆。
5、油井钻好后,用泵吸沉积物及灌浆。
6、泵吸各种乳剂和填料。
7、泵吸各种污水。
8、用泵为油轮,驳船清仓吸取仓内污水。
9、啤酒花及发酵粉稀浆、糖浆、糖密。
10、泵吸矿井、坑道、隧道、选矿、矿渣中的积水。泵吸水泥灌浆及灰浆。
11、各种橡胶浆。
12、各种磨料、腐蚀剂、石油及泥浆、清洗油垢及一般容器。
13、各种剧毒、易燃、易挥发液体。
14、各种强酸、强碱、强腐蚀液体。
15、各种高温液体高可耐150℃。
16、作为各种固液体分离设备的前级送压装置。
型号意义
泵型号由五个单元组成按下列顺序编制

泵代号:QBY
口径代号:10(3/4),15(1/2),25(1),40(11/2),50(2),65(21/2),80(3),100(4)
体材料代号
|
泵体材料 |
代号 |
泵体材料 |
代号 |
|
铝合金 |
L |
不锈钢 |
B |
|
铸铁 |
Z |
衬胶 |
ZCJ |
|
工程塑料 |
S |
衬氟 |
ZCF |
隔膜材料代号
|
隔膜材料 |
代号 |
隔膜材料 |
代号 |
|
丁晴橡胶 |
NBR |
氯丁橡胶 |
CR |
|
氟橡胶 |
F |
四氟橡胶 |
F46 |
|
乙丙橡胶 |
EPDM |
|
气动隔膜泵GEEPUMP隔膜材质说明
橡胶隔膜以天然橡胶模压而成,橡胶内加入人造添加剂以提高隔膜的抗化学性和弯曲性能。

在压模橡胶隔膜时,橡胶内安置了一种尼龙编织网以分散应力从而强化隔膜。
氯丁橡胶(Neoprene)……应用于无腐蚀液体的廉价普通膈膜。
丁晴橡胶(Buna-U)……石油/油基液体用廉价膈膜。
三元橡胶(3 Dollars Rubber)……在极低温条件下有好的弯曲寿命。
氟化橡胶(Viton)……在极高温条件下有好的弯曲寿命,用以输送芳香族或氯化烃及酸性液体。
聚四氟乙烯F46 (特氟隆 Teflon)
特氟隆是一种被认为具化学稳定性的人工合成材料。扬子江泵业有限公司制造的特氟隆隔膜带加强肋来控制隔膜的弯曲形状从而延长其寿命。利用这种特氟隆隔膜的革新提高了费用效能, 同时极大地扩展隔膜泵的应用范围。特氟隆不是弹性物质,没有弹性,因此有一个支撑隔膜来提供支撑和延长寿命
性能参数表
|
型号 |
流量
(m 3 /h) |
扬程
(m) |
出口压力
(kgf/cm 2) |
吸程
(m) |
大允许能
过颗粒直径
(mm) |
大供气压力
(kbf/cm 2) |
大供气消耗量
(m 3 /min) |
材料 |
|
铝合金 |
不锈钢 |
铸造铁 |
增强聚丙烯 |
|
QBY-10 |
0~0.8 |
0~50 |
5 |
5 |
1 |
7 |
0.3 |
★ |
★ |
★ |
★ |
|
QBY-15 |
0~1 |
0~50 |
5 |
5 |
1 |
7 |
0.3 |
★ |
★ |
★ |
★ |
|
QBY-25 |
0~2.4 |
0~50 |
5 |
7 |
2.5 |
7 |
0.6 |
★ |
★ |
★ |
★ |
|
QBY-40 |
0~8 |
0~50 |
5 |
7 |
4.5 |
7 |
0.6 |
★ |
★ |
★ |
★ |
|
QBY-50 |
0~12 |
0~50 |
5 |
7 |
8 |
7 |
0.9 |
★ |
★ |
★ |
★ |
|
QBY-65 |
0~16 |
0~50 |
5 |
7 |
8 |
7 |
0.9 |
★ |
★ |
★ |
★ |
|
QBY-80 |
0~24 |
0~50 |
5 |
7 |
10 |
7 |
1.5 |
★ |
★ |
★ |
★ |
|
QBY-100 |
0~30 |
0~50 |
5 |
7 |
10 |
7 |
1.5 |
★ |
★ |
★ |
★ |
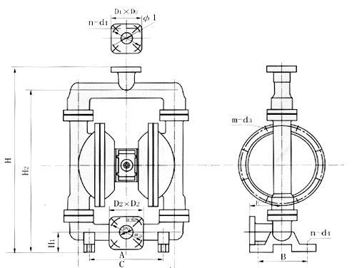
安装尺寸图表

型号
Model |
A |
B |
C |
D |
E |
H1 |
H2 |
H3 |
H |
螺纹式
Screw |
法兰式
Flange |
|
NPT/RC |
D1 |
D2 |
D3 |
D |
n |
d |
|
QBY-10 |
135 |
48 |
218 |
144 |
12 |
34 |
176 |
10 |
226 |
1/2 |
- |
- |
- |
- |
- |
- |
|
QBY-15 |
135 |
48 |
218 |
144 |
12 |
34 |
176 |
10 |
226 |
1/2 |
- |
- |
- |
- |
- |
- |
|
QBY-25 |
236 |
145 |
381 |
248 |
12 |
46 |
344 |
18 |
412 |
1 |
- |
- |
- |
- |
- |
- |
|
QBY-40 |
236 |
145 |
381 |
248 |
12 |
50 |
348 |
18 |
428 |
11/2 |
- |
- |
- |
- |
- |
- |
|
QBY-50 |
320 |
220 |
518 |
347 |
14 |
50 |
521 |
27 |
609 |
2 |
84 |
50 |
125 |
165 |
4 |
18 |
|
QBY-65 |
320 |
220 |
518 |
347 |
14 |
50 |
521 |
27 |
609 |
21/2 |
104 |
65 |
145 |
185 |
4 |
18 |
|
QBY-80 |
360 |
240 |
634 |
455 |
18 |
96 |
696 |
50 |
842 |
3 |
118 |
80 |
160 |
200 |
8 |
18 |
|
QBY-100 |
360 |
240 |
634 |
455 |
18 |
130 |
721 |
60 |
960 |
- |
140 |
100 |
180 |
200 |
8 |
18 |
的工作原理图

在泵的两个对称各种腔中,各装有一块有弹性的隔膜6,联杆7将两块隔膜结成一体,压缩空气从泵的进气接头1进入配气阀3后,推动两个工作腔内的隔膜,驱使联杆联接的两块隔膜同步运动。与此同时,另一工作腔中的气体则从其隔膜的背后排出泵外;一旦到达行程终点,配气机构则自动地将压缩空气引入另一工作腔,推动隔膜朝相反方向运动,这样就形成了两个隔膜的同步往复运动。每个工作腔中又设置有两个单向球阀4,隔膜的往复运动,造成工作腔内容积的改变,迫使两个单向球阀交替地开启和关闭,从而将液体连续地吸入和排出。
系统连接示意图

安装方式

安装方式图1
将液体从A容器抽送到B容器可用此法。

安装方式图2
将泵浸在液体中,可代替潜水泵使用,压缩空气另用软管引出。

安装方式图3
高粘稠液体可采用此种方法将液位提高,使液料容易抽出。
操作注意事项
(1)气动隔膜泵开停车负荷操作:气动隔膜泵是由变频电机驱动,若开停车负荷过大或过小、为尽量避免以上情况的出现,硬性规定开停车负荷都控制在30 %左右,并在仪表中设置使增减负荷都必须在一段时间内才能完成,有效的从工艺上做到了对变频器的维护。
(2)气动隔膜泵仪表空气及润滑油压力系统操作气动隔膜泵的仪表空气和润滑油压力都与主电机设有联锁,推进液的注油、排油阀为气闭阀,要始终维持一定的空气压力,两阀的小动作压力不低于0.4MPa ,所以仪表空气压力一般维持在015MPa以上,即使停泵后也不停仪表空气,以免推进液腔内的液体不够或过量,供给阀门的空气是经过过滤、油雾化的。气动隔膜泵在运行中,润滑油压力应不低于压力联锁值(0115MPa) ,且润滑油出口过滤器压差不能太大,润滑油流量窥镜内的钢球应处于上限位置,调节此流量时调节幅度不能太大,以免瞬间流量过大使压力下降太快引起联锁跳车。
通过以上工艺改进及对操作要点的熟练掌握,使气动隔膜泵运行时始终有一个稳定的工艺环境,运行一年多来,仅有一次因电气原因跳车,做到了长周期、安全高效运行。