G型手轮调速无级变速单螺杆泵

概述
G型单螺杆泵因定子选用多种弹性材料制成,所以这种泵对高粘度达到80%流体的输送和含有硬质悬浮颗粒介质或含有纤维介质的输送,有一般泵种所不能胜任的特性。其流量与转速成正比,广泛应用于食品冶金、造纸、印染、化工、化肥制药等工业部门使用.传动可采用联轴器直接传动,或采用高速电机,三角带,变速箱等装置变速。
型号意义

特点
该泵零件少,结构紧凑,体积小,维修简单,转子和定子是单螺杆泵的易损件,结构简单,便于装拆。是按迥转啮合容积式原理工作的新型泵种。主要工作部件是偏心螺杆(转子)和固定的衬套(定子)。采用无毒无味的食用橡胶,工作温度可达120摄氏度,如果采用高温120摄氏度—350摄氏度时可同本单位联系。由于该二部件的特殊几何开头分别形成单独的密封容腔。介质由轴向均匀推行流动。内部流速代低,容积保持不变。压力稳定,因而不会产品涡流和搅动。每级泵的输出压力为0.6MPa—1.2MPa,扬程60m—120m(清水),自吸高度一般在3m以上。
应用范围
螺杆泵作为一种通用泵,流量可以根据要求,通过改变速度进行调节,运行速度可高可低,出口压力可随泵的级数增加,每增加一级,压力增加0.6MPA,在以下范围和行业广泛应用;
1、环境保护:工业污水、生活污水、含有固体颗粒及短纤维的污泥浊水的输送,特别适用于油水分离器、板框压滤机等设备;
2、船舶工业:轮低清洗、油水、油渣、油污水等污水介质的输送;
3、石油工业:输送原油、原油与水的混合物、煤田气和水的混合物、往地层内灌注聚合物等等,从而降低机械采油、采煤田气的成本,增加了油口采收率;
4、医药、日化:粘稠浆、乳化液、各种软膏化装品的输送;
5、食品罐头工业:各种发酵粘稠淀粉、食油、蜂蜜、糖浆、果浆、奶油、鱼靡肉糜以及其下脚料的输送
6、酿造工业:各种发酵粘稠液、浓酒糟、粮食制品渣、各种酱类、浆类和含有快状固体物的粘液等;
7、建筑工业:水泥沙浆、石灰浆、涂料及其它糊状体的喷涂与输送;
8、采矿工业:矿井内的含固体颗粒的地下水和污浆水排送到地面;
9、化学工业:各种悬浮液、油脂、各种胶体浆、各种粘合剂;
10、印刷工业:高粘度油墨、墙纸的PVC高分子塑料糊和各种浓度的纸浆、短纤维浆料的输送;
11、工业锅炉:电厂、水煤浆的输送。
天然橡胶弹性大,抗撕裂性优良,耐磨性好,是定子的首选材质。但其耐油和耐溶剂性不好,抗酸碱腐蚀能力低,耐热性不高这些缺点限制了应用面。使用温度60℃内。丁腈橡胶耐汽油和脂肪烃油类的性能特别好,耐热性好,耐磨性较好,弹性较天然橡胶低,耐酸碱性能一般,与天然橡胶同为使用率的定子材质。使用温度90℃内。硅橡胶无毒无味,主要应用在食品及医药工业等有卫生要求的场合。价格较贵。对热氧化和臭氧的稳定性很高,化学惰性大。使用温度100℃内。氟橡胶耐酸碱,耐油性是耐油橡胶中的;耐化学腐蚀性、耐臭氧、耐大气老化性均优良。价格昂贵。主要应用在腐蚀较高的场合。溶剂橡胶在有机溶剂中不溶胀或极轻微溶胀。转为输送有机溶剂开发。
G系列单螺杆泵是一种新型的内啮合回转式容积泵。具有效率高、自吸能力强、适用范围广等优点,对各种难以输送的介质都可用本泵来输送。因此,单螺杆泵在国外被称为万能泵。此泵可输送中性的或腐蚀的液体,洁净的或磨削性的液体,含有气体或易产生气泡的液体,高粘度或低粘度的液体,包括含有纤维物和固体物质的液体。
工作原理及特性
单螺杆泵的工作原理是单线螺旋的转子在双线螺旋的定子孔内绕定子轴线作行星回转时,转子——定子副之间形成的密闭腔就连续的、匀速的、容积不变的将介质从吸入端输送到压出端。由于这巧妙的工作原理,使单螺杆泵具有一般性泵的通用性能外。其显著的特点:
1、可输送高粘度的介质。根据泵的大小不同,介质的高粘度为37000厘泊——200000厘泊。
2、可输送含固体颗粒、磨削颗粒和纤维的介质。其含量一般可高达介质的40%,当介质中所含固体为粉末状细微颗粒时,高可达70%,根据泵的大小不同允许介质中所含固体颗粒粒径大为2毫米——40毫米。
3、输出的液体连续均匀、压力稳定、搅动小,对敏感性的液体不会发生成分的改变。
4、流量与转速之间为简单的正比关系。可通过调节转速进行流量的调节,配上变速的电动机,可成为变量泵。
5、压力能随输出管道阻力自动调节。在0-36(公斤/厘米2)压力之间,用户很容易调到所需的压力。这样既节能,又避免压力太高或太低而影响工艺流程。
6、结构简单、磨损少、维修方便。
与其它类型泵相比:
和离心泵相比,单螺杆泵不需要装阀门,而流量是稳定的线性流动。
和柱塞泵相比,单螺杆泵具有更好的自吸能力,吸上高度可达8.5米水柱。
和隔膜泵相比,单螺杆泵可输送各种混合杂质,含有气体及固体颗粒或纤维的介质,也可输送各种腐蚀性物质。
和齿轮泵相比,单螺杆泵可输送高粘度的物质。
与柱塞泵、隔膜泵及齿轮泵不同的是,单螺杆泵可用于药剂填充和计量。
适用范围
G系列单螺杆泵根据材质可分为如下三种类型:
1、普通泵:
主要适用范围:油水分离装置的理想输送泵、污水处理装置输送泵;喷雾装置输送泵;焚烧炉输送泵;污水、粪便输送;润滑油、燃油、植物油输送;沉积糊状且夹有固体颗粒介质的抽吸输送,石油、水纹地球物理勘探钻机输送泥浆;新型湿纺糊状石棉浆的输送;粘度油墨、陶土、粘土糊、纸浆的输送;还有作输送混凝土、炸药、水煤浆、高岭土及纤维液等特殊物料的输送泵。
2、食品泵: (采用不锈钢与无毒橡胶材料)
主要适用范围:酿酒、未稀释的啤酒芽、酒花、奶粉、麦乳精、淀粉、番茄酱、酱油、发酵液、醪液、蜂蜜、巧克力混合料、牛奶、奶油、奶酪和肉浆等抽吸输送,还可应用在制药工业和牙膏工业等方面。
3、化工泵:(采用耐腐不锈钢与耐腐橡胶材料)
主要适用范围:腐蚀性石油、化工介质、颜料、厚油漆、化妆品、软膏
型单螺杆泵配套电机常见类型:
1)由弹性联轴器和Y(或YB)电机驱动方式或由弹性联轴器和变频调速电机驱方式;
2)由弹性联轴器和固定减速电机或和减速器直连电机驱动方式;
3)由弹性联轴器和无级变速电机驱动方式;
4)由皮带(同步带)传动电机驱动方式;

性能参数
| 型号 |
流量 (m3/h) |
压力 (Mpa) |
允许 高转数 (r/min) |
电机 功率 (kw) |
必需汽 蚀余量 (m) |
进口法 |
出口法 兰通径 (mm) |
允许颗 粒直径 (mm) |
允许纤 维长度 (mm) |
| G20-1 | 0.8 | 0.6 | 960 | 0.75 | 4 | 25 | 25 | 1.5 | 25 |
| G20-2 | 1.2 | 1.5 | |||||||
| G25-1 | 2 | 0.6 | 960 | 1.5 | 32 | 25 | 2 | 30 | |
| G25-2 | 1.2 | 2.2 | |||||||
| G30-1 | 5 | 0.6 | 960 | 2.2 | 50 | 40 | 2.5 | 35 | |
| G30-2 | 1.2 | 3 | |||||||
| G35-1 | 8 | 0.6 | 960 | 3 | 65 | 50 | 3 | 40 | |
| G35-2 | 1.2 | 4 | |||||||
| G40-1 | 12 | 0.6 | 960 | 4 | 80 | 65 | 3.8 | 45 | |
| G40-2 | 1.2 | 5.5 | |||||||
| G50-1 | 20 | 0.6 | 960 | 5.5 | 4.5 | 100 | 80 | 5 | 50 |
| G50-2 | 1.2 | 7.5 | |||||||
| G60-1 | 30 | 0.6 | 720 | 11 | 5 | 125 | 100 | 6 | 60 |
| G60-2 | 1.2 | 15 | |||||||
| G70-1 | 45 | 0.6 | 720 | 11 | 150 | 125 | 8 | 70 | |
| G70-2 | 1.2 | 18.5 | |||||||
| G85-1 | 65 | 0.6 | 630 | 15 | 150 | 150 | 10 | 80 | |
| G85-2 | 1.2 | 30 | |||||||
| G105-1 | 100 | 0.6 | 500 | 30 | 200 | 200 | 15 | 110 | |
| G105-2 | 1.2 | 55 | |||||||
| G135-1 | 150 | 0.6 | 400 | 45 | 250 | 250 | 20 | 150 | |
| G135-2 | 1.2 | 90 |
单级,由齿轮变速、电磁调速电机加齿轮变速或无级变速电机加齿轮变速时的性能参数
| 型号 | 压力0.3Mpa | 压力0.6Mpa | 可调转数 | ||||||
|
转数 (r/min) |
流量 (m3/h) |
电动机 功率 (kw) |
转数 (r/min) |
流量 (m3/h) |
电动机 功率 (kw) |
转数 (r/min) |
流量 (m3/h) |
电动机 功率 (kw) |
|
| G20-1 | 960 | 0.96 | 0.75-6级 | 960 | 0.8 | 0.75-6级 | 125~1250 | 0.1~1.5 | 1.1 |
| 720 | 0.8 | 0.55-8级 | 720 | 0.5 | 0.75-8级 | ||||
| 510 | 0.4 | 0.55-4级/齿轮箱 | 510 | 0.3 | 0.75-4级/齿轮箱 | ||||
| G25-1 | 960 | 2.4 | 0.75-6级 | 960 | 2 | 1.5-6级 | 125~1250 | 0.1~3 | 1.5 |
| 720 | 1.5 | 0.55-8级 | 720 | 1.27 | 1.1-8级 | ||||
| 510 | 1.08 | 0.55-4级/齿轮箱 | 510 | 0.9 | 1.1-4级/齿轮箱 | ||||
| G30-1 | 960 | 3.6 | 1.5-6级 | 960 | 3 | 2.2-6级 | 125~1250 | 0.2~4 | 2.2 |
| 720 | 2.28 | 1.1-8级 | 720 | 1.9 | 1.5-8级 | ||||
| 510 | 1.63 | 1.1-4级/齿轮箱 | 510 | 1.35 | 1.5-4级/齿轮箱 | ||||
| G35-1 | 720 | 4.8 | 2.2-8级 | 720 | 4.04 | 3-8级 | 125~890 | 0.3~5 | 3 |
| 510 | 3.36 | 1.5-4级/齿轮箱 | 510 | 2.8 | 2.2-4级/齿轮箱 | ||||
| 380 | 1.92 | 1.1-4级/齿轮箱 | 380 | 1.60 | 1.5-4级/齿轮箱 | ||||
| G40-1 | 510 | 6.8 | 2.2-4级/齿轮箱 | 510 | 5.6 | 3-4级/齿轮箱 | 125~890 | 0.3~10 | 4 |
| 380 | 5.1 | 1.5-4级/齿轮箱 | 380 | 4 | 2.2-4级/齿轮箱 | ||||
| 252 | 2.65 | 1.1-6级/齿轮箱 | 252 | 2.2 | 1.5-6级/齿轮箱 | ||||
| G50-1 | 510 | 13.8 | 4-4级/齿轮箱 | 510 | 11.5 | 5.5-4级/齿轮箱 | 80~750 | 1~18 | 5.5 |
| 380 | 10.2 | 4-4级/齿轮箱 | 380 | 7.5 | 5.5-4级/齿轮箱 | ||||
| 252 | 5.6 | 3-6级/齿轮箱 | 252 | 4.4 | 5.5-6级/齿轮箱 | ||||
| G60-1 | 510 | 20.8 | 7.5-4级/齿轮箱 | 510 | 16 | 11-4级/齿轮箱 | 63~630 | 1~20 | 11 |
| 380 | 15.6 | 7.5-4级/齿轮箱 | 380 | 12 | 11-4级/齿轮箱 | ||||
| 252 | 7.8 | 5.5-6级/齿轮箱 | 252 | 6 | 7.5-6级/齿轮箱 | ||||
| G70-1 | 510 | 26 | 11-4级/齿轮箱 | 510 | 20 | 11-4级/齿轮箱 | 56~560 | 1~22 | 11 |
| 380 | 17 | 7.5-4级/齿轮箱 | 380 | 13 | 11-4级/齿轮箱 | ||||
| 252 | 9.1 | 7.5-6级/齿轮箱 | 252 | 7 | 7.5-6级/齿轮箱 | ||||
| G85-1 | 380 | 32 | 11-4级/齿轮箱 | 380 | 25 | 15-4级/齿轮箱 | 37~370 | 2~24 | 15 |
| 252 | 21 | 7.5-6级/齿轮箱 | 252 | 16 | 11-6级/齿轮箱 | ||||
| 189 | 11 | 5.5-8级/齿轮箱 | 189 | 8 | 11-8级/齿轮箱 | ||||
| G105-1 | 380 | 80 | 15-4级/齿轮箱 | 380 | 65 | 22-4级/齿轮箱 | 29~290 | 3~50 | 22 |
| 252 | 44 | 15-6级/齿轮箱 | 252 | 34 | 22-6级/齿轮箱 | ||||
| 189 | 29 | 11-8级/齿轮箱 | 189 | 22 | 15-8级/齿轮箱 | ||||
| G135-1 | 380 | 132 | 37-4级/齿轮箱 | 380 | 120 | 45-4级/齿轮箱 | 18~180 | 3~56 | 45 |
| 252 | 95 | 30-6级/齿轮箱 | 252 | 80 | 37-6级/齿轮箱 | ||||
| 189 | 65 | 18.5-6级/齿轮箱 | 189 | 53 | 30-8级/齿轮箱 | ||||
双级,由齿轮变速、电磁调速电机加齿轮变速或无级变速电机加齿轮变速时的性能参数
| 型号 | 压力0.8Mpa | 压力1.2Mpa | 可调转数 | ||||||
|
转数 (r/min) |
流量 (m3/h) |
电动机 功率 (kw) |
转数 (r/min) |
流量 (m3/h) |
电动机 功率 (kw) |
转数 (r/min) |
流量 (m3/h) |
电动机 功率 (kw) |
|
| G20-2 | 960 | 0.96 | 1.5-6级 | 960 | 0.8 | 1.5-6级 | 125~1250 | 0.1~1.5 | 1.5 |
| 720 | 0.8 | 1.1-8级 | 720 | 0.5 | 1.5-8级 | ||||
| 510 | 0.4 | 1.1-4级/齿轮箱 | 510 | 0.3 | 1.1-4级/齿轮箱 | ||||
| G25-2 | 960 | 2.4 | 1.5-6级 | 960 | 2 | 2.2-6级 | 125~1250 | 0.1~3 | 2.2 |
| 720 | 1.5 | 1.1-8级 | 720 | 1.27 | 1.5-8级 | ||||
| 510 | 1.08 | 1.1-4级/齿轮箱 | 510 | 0.9 | 1.5-4级/齿轮箱 | ||||
| G30-2 | 960 | 3.6 | 3-6级 | 960 | 3 | 3-6级 | 125~1250 | 0.2~4 | 3 |
| 720 | 2.28 | 1.5-8级 | 720 | 1.9 | 2.2-8级 | ||||
| 510 | 1.63 | 1.5-4级/齿轮箱 | 510 | 1.35 | 2.2-4级/齿轮箱 | ||||
| G35-2 | 720 | 4.8 | 3-8级 | 720 | 4.04 | 4-8级 | 125~890 | 0.3~5 | 4 |
| 510 | 3.36 | 2.2-4级/齿轮箱 | 510 | 2.8 | 3-4级/齿轮箱 | ||||
| 380 | 1.92 | 1.5-4级/齿轮箱 | 380 | 1.60 | 2.2-4级/齿轮箱 | ||||
| G40-2 | 510 | 6.8 | 4-4级/齿轮箱 | 510 | 5.6 | 5.5-4级/齿轮箱 | 125~890 | 0.3~10 | 5.5 |
| 380 | 5.1 | 3-4级/齿轮箱 | 380 | 4 | 4-4级/齿轮箱 | ||||
| 252 | 2.65 | 2.2-6级/齿轮箱 | 252 | 2.2 | 3-6级/齿轮箱 | ||||
| G50-2 | 510 | 13.8 | 5.5-4级/齿轮箱 | 510 | 11.5 | 7.5-4级/齿轮箱 | 80~750 | 1~18 | 7.5 |
| 380 | 10.2 | 4-4级/齿轮箱 | 380 | 7.5 | 5.5-4级/齿轮箱 | ||||
| 252 | 5.6 | 3-6级/齿轮箱 | 252 | 4.4 | 5.5-6级/齿轮箱 | ||||
| G60-2 | 510 | 20.8 | 15-4级/齿轮箱 | 510 | 16 | 15-4级/齿轮箱 | 63~630 | 1~20 | 15 |
| 380 | 15.6 | 11-4级/齿轮箱 | 380 | 12 | 15-4级/齿轮箱 | ||||
| 252 | 7.8 | 7.5-6级/齿轮箱 | 252 | 6 | 11-6级/齿轮箱 | ||||
| G70-2 | 510 | 26 | 15-4级/齿轮箱 | 510 | 20 | 18.5-4级/齿轮箱 | 56~560 | 1~22 | 18.5 |
| 380 | 17 | 11-4级/齿轮箱 | 380 | 13 | 15-4级/齿轮箱 | ||||
| 252 | 9.1 | 11-6级/齿轮箱 | 252 | 7 | 11-6级/齿轮箱 | ||||
| G85-2 | 380 | 32 | 18.5-4级/齿轮箱 | 380 | 25 | 22-4级/齿轮箱 | 37~370 | 2~24 | 22 |
| 252 | 21 | 15-6级/齿轮箱 | 252 | 16 | 18.5-6级/齿轮箱 | ||||
| 189 | 11 | 15-8级/齿轮箱 | 189 | 8 | 15-8级/齿轮箱 | ||||
| G105-2 | 380 | 80 | 30-4级/齿轮箱 | 380 | 65 | 37-4级/齿轮箱 | 29~290 | 3~50 | 37 |
| 252 | 44 | 30-6级/齿轮箱 | 252 | 34 | 30-6级/齿轮箱 | ||||
| 189 | 29 | 22-8级/齿轮箱 | 189 | 22 | 22-8级/齿轮箱 | ||||
| G135-2 | 380 | 132 | 55-4级/齿轮箱 | 380 | 120 | 75-4级/齿轮箱 | 18~180 | 3~56 | 75 |
| 252 | 95 | 55-6级/齿轮箱 | 252 | 80 | 75-6级/齿轮箱 | ||||
| 189 | 65 | 37-8级/齿轮箱 | 189 | 53 | 45-8级/齿轮箱 | ||||
单、双级水煤浆工作泵的性能参数
| 泵 型 |
流量 (m3/h) |
工作压力(Mpa) | 转数(r/min) | 齿轮减速配套调速电机(kw) |
| G30-2 | ~1 | 1.2 | 30~300 | YCT160/4A-2.2 |
| G35-2 | ~2 | 1.2 | 30~300 | YCT160/4A-2.2 |
| G40-2 | ~3 | 1.2 | 30~280 | YCT160/4A-3 |
| G50-1 | ~4.5 | 0.6 | 28~280 | YCT180/4A-4 |
| G50-2 | ~4.5 | 1.2 | 28~280 | YCT200/4A-5.5 |
| G60-1 | ~6.5 | 0.6 | 25~250 | YCT200/4A-5.5 |
| G60-2 | ~6.5 | 1.2 | 25~250 | YCT200/4B-7.5 |
| G70-1 | ~8 | 0.6 | 25~250 | YCT200/4B-7.5 |
| G85-1 | ~12.5 | 0.6 | 18~180 | YCT225/4A-11 |
| G105-1 | ~20 | 0.6 | 14~140 | YCT225/4B-15 |
| G135-1 | ~35 | 0.6 | 10~100 | YCT250/4B-22 |
说明
1、以上性能参数是常温清水试验时的试验数据;
2、对于不同的介质、不同的转速,性能参数都将变化,其流量值与浓度、粘度成反比,与转速成正比;
3、用户必须根据使用要求、输送介质的状况、选型原则选择泵的类型,或者和本公司技术部门协商来决定泵的类型。
4、对于水煤浆泵传动形式为齿轮调速配套电磁调速电机或机械无级变速电机,流量随转速变化无级可调。
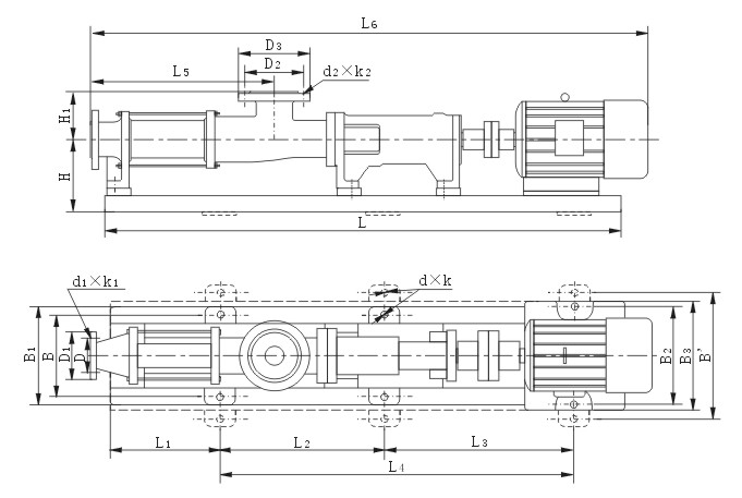
安装尺寸

橡胶套的选择
G型螺杆泵橡胶套的选择 螺杆泵衬套为橡胶制品,也是单螺杆泵的一个易损件,它的选择好坏,直接影响衬套的寿命,一般正常情况下衬套的寿命为6-12个月,如果选用不当,衬套可能从钢管中脱落或橡胶掉块。所以要求我们对橡胶的基本特性及橡胶对各种不同介质的适应性有所了解,根据我们的经验列出以上特性表。
橡胶基本特性
| 橡胶特性 | 丁晴橡胶NBR | 氯丁橡胶CR | 氟橡胶PPM | 乙丙橡胶EPDM |
| 耐高温度 | +120°C | +110°C | +200°C | +150°C |
| 耐磨性 | 优 | 很好 | 优 | 很好 |
| 耐老化性 | 很好 | 很好 | 优 | 优 |
| 耐臭氧 | 不行 | 优 | 优 | 优 |
| 耐蒸汽 | 很好 | 不行 | 优 | 优 |
| 耐燃性 | 很好 | 优 | 优 | 优 |
单螺杆泵的衬套常用橡胶
| 橡胶的适应性 | 乙丙橡胶EPDM | 氟橡胶PPM | 氯丁橡胶CR | 丁晴橡胶NBR |
| 水(污水) | 很好 | 很好 | 很好 | 很好 |
| 植物油 | 一般 | 很好 | 一般 | 很好 |
| 矿物油 | 不行 | 很好 | 一般 | 很好 |
| 氨水 | 一般 | 不行 | 不行 | 很好 |
| 芳香族溶剂 | 不行 | 很好 | 不行 | 不行 |
| 浓碱 | 很好 | 不行 | 很好 | 很好 |
| 浓硝酸 | 不行 | 一般 | 不行 | 不行 |
| 冰醋酸 | 不行 | 很好 | 不行 | 很好 |
| 稀硫酸 | 很好 | 很好 | 不行 | 很好 |
| 浓硫酸 | 一般 | 很好 | 不行 | 不行 |
| 稀盐酸 | 很好 | 很好 | 很好 | 很好 |
| 浓盐酸 | 很好 | 很好 | 不行 | 很好 |
| 热水 | 很好 | 不行 | 不行 | 一般 |
| 汽油 | 不行 | 很好 | 一般 | 很好 |
| 甲苯 | 不行 | 很好 | 不行 | 不行 |
| 二甲苯 | 不行 | 很好 | 不行 | 不行 |
| 乙醇 | 很好 | 很好 | 很好 | 一般 |
| 煤油 | 不行 | 很好 | 很好 | 很好 |
| 柴油 | 不行 | 很好 | 不行 | 很好 |
| 氯化烃 | 不行 | 一般 | 不行 | 不行 |
| 含酮类物料 | 很好 | 不行 | 不行 | 不行 |
| 含醇类物料 | 很好 | 很好 | 很好 | 很好 |
| 含脂类物料 | 很好 | 不行 | 不行 | 不行 |
| 含醚类物料 | 很好 | 不行 | 不行 | 不行 |
| 泥浆 | 很好 | 一般 | 一般 | 很好 |
| 磷酸 | 很好 | 一般 | 很好 | 一般 |
| 碳酸钠 | 很好 | 不行 | 很好 | 很好 |
| 糖醛 | 很好 | 一般 | 一般 | 一般 |
| 苯100 | 不行 | 很好 | 不行 | 不行 |
| 丙酮 | 很好 | 不行 | 不行 | 不行 |
| 亚麻子油 | 很好 | 很好 | 很好 | 很好 |
| 二硫化碳 | 不行 | 很好 | 不行 | 不行 |
输送方式

故障原因及排除方法
| 故障 | 原因 | 排除方法 |
| 1、泵不能起动 |
a、新泵转、定子配合过紧 b、电压、电流太低 c、介质粘度过高 |
a、用工具人力帮助转动几圈 b、检查、调整 c、稀释料液 |
| 2、泵不出液 |
a、旋转方向不对 b、吸入管路有问题 c、介质粘度过高 d、转、定子损坏或传动部件损坏 e、泵内导物堵塞 |
a、调整方向 b、检查泄漏,打开进出口阀门 c、稀释料液 d、检查更换 c、排除更换 |
| 3、流量达不到 |
a、管路泄漏 b、阀门未全部打开或局部堵塞 c、转速太低 d、转、定子磨损 |
a、检查修理管路 b、打开全部阀门、排除堵塞物 c、调整转速 d、更换损坏另件 |
| 4、压力达不到 | a、转子、定子磨损 | a、更换转、定子 |
| 5、电机过热 |
a、电机故障 b、出口压力过高,电机超载 c、定子烧坏或粘在转子上 |
a、检查电机、电压、电流、电频 b、检查扬程,开足出口阀门,排除阻塞 c、更换损坏件 |
| 6、流量压力急剧下降 |
a、管道突然堵塞或泄漏 b、定子磨损恶劣 c、液体粘度突然改变 d、电压突然下降 |
参照以下几项,逐项排除 |
| 7、轴密封处大量泄漏液体 |
a、软填料磨损 b、机械密封损坏 |
a、压紧或更换填料 b、修复或更换 |
订货须知