标准文献

返回

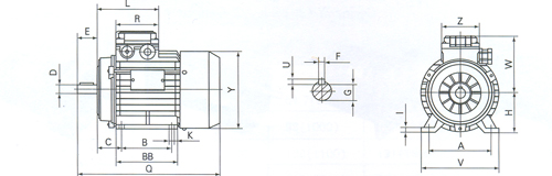
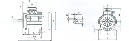
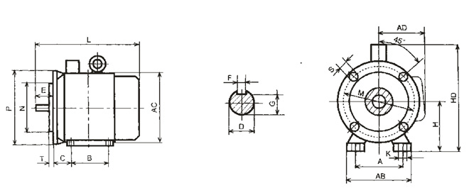
Y2系列B5轴B3轴三相异步电动机外形尺寸图

时间:2018-08-20 来源:
Y2系列三相异步电动机
  一、概述
 
Y2系列电动机是Y系列电机的更新换代产品,是一般用途的全封闭自扇冷式鼠笼型三相异步电动机它是我国九十年代新产品。其整体水平已达到国外同类产品九十年代初的水平。该产品应用于国民经济各个领域,如机床、水泵、风机、压缩机,也可适用于运输、搅拌、印刷、农机、食品等各类不含易燃、易爆或腐蚀性气体的场合。
 
Y2系列电机的安装尺寸和功率等级符合IEC标准,与德国DIN42673标准一致,也与Y系列电机一样,其外壳防护等级为IP54,冷却方法为IC41l,连续工作制(S1)。采用F级绝缘,温升按B级考核(除315L2-2、4,355全部规格按F级考核外),并要求考核负载噪声指标。
 
Y2系列电动机额定电压为380V,额定频率为50Hz。功率3kwt以下为Y接法,其他功率均为△接法。电动机运行地点的海拔不超过1000m;环境空气温度随季节变化,但不超过40℃;低环境空气温度为-15℃;湿月月平均高相对湿度为90%;同时该月月平均低温度不高于25℃。 
  二、型号含义
 
  Y2系列电动机有两种设计,一种是适用于一般机械配套和出口需要,在轻载时有较高效率,在实际运行中有较佳节能效果,且具有较高堵转转矩,此设计称为Y2-Y系列。中心高63~355mm,功率从0.12~315kW。电动机符合JB/T8680.1-1998 Y2系列(1P54)三相异步电动机(机座号63~355)技术条件。
 
  型号含义:如Y2-200L1-2Y:“Y2”表示异步电动机第二次改型设计,“200”表示中心高,“L”表示机座长短号,“1”表示铁心长度序号,“2”表示极数,“Y”表示第一种设计(可省略)。
 
  第2种设计是满载时有较高效率,更适用于长期运行和负载率较高的使用场合,如水泵、风机配套,此设计称为Y2-E系列,中心高80~280mm,功率从0.55~90kW。电动机符合JB/T8680.2-1998 Y2系列(1P54)三相异步电动机(机座号80~280)技术条件。
 
  型号含义:如Y2-200L2-6E:“Y2”表示异步电动机第二次改型设计,“200”表示中心高,“L”表示机座长短号,“2”表示铁心长度序号,“6”表示极数,“E”表示第二种设计。
 
  三、结构简介
 
  1.Y2系列电动机机座外轮廓呈四方形兼圆形,散热片呈垂直,水平平行分布,全部采用铸铁结构。另外H63~112还兼有铝合金压铸结构。
 
  2.本系列电动机采用浅端盖结构,增加了内部加强筋的数量和尺寸,全部采用铸铁结构,另外H63~112还兼有铝合金压铸结构。为方便用户使用和检修,H180及以上增设了不停机的注油装置。
 
  3.接线盒防护等级为IP55。为了减轻电机重量,H63~280接线盒用铝合金压铸(也可用铸铁件),H315~355使用铸铁件。且盒内设有专用的接地装置,H160及以上机座考虑有热保护装置的安装位置,电源进线孔采用双孔进线,并有两种密封结构:一种为加密封盖,另一种为锁紧密封。接线盒一般位于机座顶部,并可以四面出线,另外H80~355铸铁机座的接线盒还可以位于机座侧面。
 
三相异步电动机Y2系列外形尺寸图
 
 
三相异步电动机Y2系列技术数据表

 

Y2系列三相异步电动机 技术数据

型号 功率(W) 电流(A) 电压(V) 频率(Hz)
转速(r/min)
效率(%) 功率因数cosΦ
起动转矩/额定转矩 (倍)
起动电流/额定电流(倍)
大转矩/额定转矩 (倍)
Y2-631-2 180 0.53/0.91 380/220
50
2800
69 0.75
2.3
6.0
2.4
Y2-632-2 250 0.67/1.16 380/220
50
2800
72 0.78
2.3
6.0
2.4
Y2-631-4 120 0.48/0.83 380/220
50
1400
60 0.63
2.4
6.0
2.4
Y2-632-4 180 0.65/1.12 380/220
50
1400
64 0.66
2.4
6.0
2.4
Y2-711-2 370 0.95/1.65 380/220
50
2800
73.5 0.80
2.3
6.0
2.4
Y2-712-2 550 1.35/2.33 380/220
50
2800
75.5 0.82
2.3
6.0
2.4
Y2-711-4 250 0.83/1.44 380/220
50
1400
67 0.68
2.4
6.0
2.4
Y2-712-4 370 1.12/1.94 380/220
50
1400
69.5 0.72
2.4
6.0
2.4
Y2-711-6 180 0.88/1.52 380/220
50
910
59 0.63
2.0
5.5
2.0
Y2-712-6 250 1.13/1.96 380/220
50
910
63 0.64
2.0
5.5
2.0
Y2-801-2 750 1.8/3.1 380/220
50
2800
76.5 0.85
2.2
6.0
2.4
Y2-802-2 1100 2.25/4.42 380/220
50
2800
77 0.85
2.2
6.0
2.4
Y2-801-4 550 1.6/2.77 380/220
50
1400
73.5 0.73
2.4
6.0
2.4
Y2-802-4 750 2/3.5 380/220
50
1400
75.5 0.75
2.4
6.0
2.4
Y2-801-6 370 1.29/2.23 380/220
50
910
68 0.64
2.0
5.5
2.0
Y2-802-6 550 1.81/3.14 380/220
50
910
71 0.65
2.0
5.5
2.0
Y2-801-8 180 0.86/1.49 380/220
50
700
58 0.55
1.8
4.5
1.9
Y2-802-8 250 1.1/1.91 380/220
50
700
62 0.56
1.8
4.5
1.9
Y2-90S-2 2200 4.83/8.36 380/220
50
2820
78 0.85
2.2
7.0
2.4
Y2-90L-2 2200 4.83/8.36 380/220
50
2820
80.5 0.86
2.2
7.0
2.4
Y2-90S-4 1100 2.75/4.76 380/220
50
1400
78 0.78
2.3
6.5
2.4
Y2-90L-4 1500 3.65/6.32 380/220
50
1400
79 0.79
2.3
6.5
2.4
Y2-90S-6 750 2.26/3.92 380/220
50
910
73 0.69
2.0
5.5
2.1
Y2-90L-6 1100 3.2/5.5 380/220
50
910
74 0.71
2.0
6.0
2.1
Y2-90S-8 370 1.4/2.4 380/220
50
700
68 0.60
1.8
4.5
1.9
Y2-90L-8 550 1.95/3.38 380/220
50
700
69 0.62
1.8
4.5
1.9

底脚安装 IMB3 foot mounting IMB3

-B3-
A
B
C
D
E
F
G
H
I
U
V
W
Y
BB
L
R
Z
K
Q
Y2L50
80
63
33
9
20
3
7.2
50
7
3
100
76
99
73
98
70
65
5.8
170
Y2L56
90
71
35
9
20
3
7.2
56
8
3
110
93
117
87
99
70
65
5.8
195
Y2L63
100
80
40
11
23
4
8.5
63
9
4
123
95
2122
104
102
70
65
7
222
Y2L71
112
90
45
14
30
5
11
71
10
5
136
108
137
113
114
80
75
8
245
Y2L80
125
100
50
19
40
6
15.5
80
10
6
154
118
156
125
118
80
75
10
283
Y2L90L
140
125
56
24
50
8
20
90
12
7
180
128
169
155
134
98.5
98.5
10
336
Y2L90S
140
100
56
24
50
8
20
90
12
7
18
0128
16
915
134
98.5
98.5
10
336



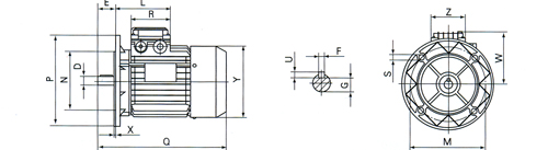
法兰安装 IMB5 flange mounting IMB5
-B5-
D
E
F
G
M
N
P
U
S
W
X
Y
L
R
Z
Q
Y2L56
9
20
3
7.2
100
80
120
3
7
93
2.5
117
100
70
65
197
Y2L63
11
23
4
8.5
115
95
140
4
9.5
95
3
122
104
70
65
224
Y2L71
14
30
5
11
13
0110
160
5
10
108
3.5
137
108
80
75
239
Y2L80
19
40
6
15.5
165
130
200
6
12
118
3.5
156
114
80
75
278
Y2L90
24
50
8
20
165
130
200
7
12
128
3.5
169
135
98.5
98.5
336


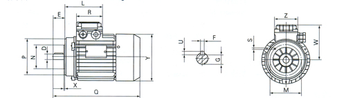
-14-
D
E
F
G
M
N
P
s
u
W
X
Y
L
R
Z
Q
Y2L50
9
20
3
7.2
55
40
70
M5
3
76
2.5
99
98
70
65
170
Y2L56
9
20
3
7.2
65
50
80
M5
3
93
2.5
117
100
70
65
197
Y2L63
11
23
4
8.5
75
60
90
M5
4
95
3
122
102
70
65
224
Y2L71
14
30
5
11
85
70
105
M5
5
108
3.5
137
114
80
75
239
Y2L80
19
40
6
15.5
100
80
120
M5
6
118
3.5
156
118
80
75
278
Y2L90
24
50
8
20
115
95
138
M5
7
128
3.5
169
135
98.5
98.5
336
Y2系列三相异步电动机 技术数据

型号 功率(W) 电流(A) 电压(V) 频率(Hz)
转速(r/min)
效率(%) 功率因数cosΦ
起动转矩/额定转矩 (倍)
起动电流/额定电流(倍)
大转矩/额定转矩 (倍)
Y2-631-2 180 0.53/0.91 380/220
50
2800
69 0.75
2.3
6.0
2.4
Y2-632-2 250 0.67/1.16 380/220
50
2800
72 0.78
2.3
6.0
2.4
Y2-631-4 120 0.48/0.83 380/220
50
1400
60 0.63
2.4
6.0
2.4
Y2-632-4 180 0.65/1.12 380/220
50
1400
64 0.66
2.4
6.0
2.4
Y2-711-2 370 0.95/1.65 380/220
50
2800
73.5 0.80
2.3
6.0
2.4
Y2-712-2 550 1.35/2.33 380/220
50
2800
75.5 0.82
2.3
6.0
2.4
Y2-711-4 250 0.83/1.44 380/220
50
1400
67 0.68
2.4
6.0
2.4
Y2-712-4 370 1.12/1.94 380/220
50
1400
69.5 0.72
2.4
6.0
2.4
Y2-711-6 180 0.88/1.52 380/220
50
910
59 0.63
2.0
5.5
2.0
Y2-712-6 250 1.13/1.96 380/220
50
910
63 0.64
2.0
5.5
2.0
Y2-801-2 750 1.8/3.1 380/220
50
2800
76.5 0.85
2.2
6.0
2.4
Y2-802-2 1100 2.25/4.42 380/220
50
2800
77 0.85
2.2
6.0
2.4
Y2-801-4 550 1.6/2.77 380/220
50
1400
73.5 0.73
2.4
6.0
2.4
Y2-802-4 750 2/3.5 380/220
50
1400
75.5 0.75
2.4
6.0
2.4
Y2-801-6 370 1.29/2.23 380/220
50
910
68 0.64
2.0
5.5
2.0
Y2-802-6 550 1.81/3.14 380/220
50
910
71 0.65
2.0
5.5
2.0
Y2-801-8 180 0.86/1.49 380/220
50
700
58 0.55
1.8
4.5
1.9
Y2-802-8 250 1.1/1.91 380/220
50
700
62 0.56
1.8
4.5
1.9
Y2-90S-2 2200 4.83/8.36 380/220
50
2820
78 0.85
2.2
7.0
2.4
Y2-90L-2 2200 4.83/8.36 380/220
50
2820
80.5 0.86
2.2
7.0
2.4
Y2-90S-4 1100 2.75/4.76 380/220
50
1400
78 0.78
2.3
6.5
2.4
Y2-90L-4 1500 3.65/6.32 380/220
50
1400
79 0.79
2.3
6.5
2.4
Y2-90S-6 750 2.26/3.92 380/220
50
910
73 0.69
2.0
5.5
2.1
Y2-90L-6 1100 3.2/5.5 380/220
50
910
74 0.71
2.0
6.0
2.1
Y2-90S-8 370 1.4/2.4 380/220
50
700
68 0.60
1.8
4.5
1.9
Y2-90L-8 550 1.95/3.38 380/220
50
700
69 0.62
1.8
4.5
1.9

底脚安装 IMB3 foot mounting IMB3

-B3-
A
B
C
D
E
F
G
H
I
U
V
W
Y
BB
L
R
Z
K
Q
Y2L50
80
63
33
9
20
3
7.2
50
7
3
100
76
99
73
98
70
65
5.8
170
Y2L56
90
71
35
9
20
3
7.2
56
8
3
110
93
117
87
99
70
65
5.8
195
Y2L63
100
80
40
11
23
4
8.5
63
9
4
123
95
2122
104
102
70
65
7
222
Y2L71
112
90
45
14
30
5
11
71
10
5
136
108
137
113
114
80
75
8
245
Y2L80
125
100
50
19
40
6
15.5
80
10
6
154
118
156
125
118
80
75
10
283
Y2L90L
140
125
56
24
50
8
20
90
12
7
180
128
169
155
134
98.5
98.5
10
336
Y2L90S
140
100
56
24
50
8
20
90
12
7
18
0128
16
915
134
98.5
98.5
10
336